申请日2015.10.16
公开(公告)日2016.02.24
IPC分类号C02F3/30; C02F101/16; C02F101/10
摘要
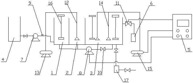
一种高效生物膜法处理高含盐废水试验系统。随着我国众工业的迅速发展,排入环境中的高含盐废水的量也越来越多,这类废水的盐度较高,其中的无机盐会对普通活性污泥产生严重的抑制作用。一种高效生物膜法处理高含盐废水试验系统,其组成包括:进水箱(4),进水箱通过管路与进水泵(7)连接,进水泵通过管路与缺氧池(1)连接,缺氧池池壁与DAT池(2)池壁连接,?DAT池池壁与IAT池(3)池壁连接,缺氧池、DAT池和IAT池分别与污泥回流泵(8)连接,污泥回流泵与PLC控制箱(5)连接,IAT池通过管路分别与排水池(6)、污泥池(17)连接。本实用新型应用于处理高含盐废水装置。
权利要求书
1.一种高效生物膜法处理高含盐废水试验系统,其组成包括:进水箱,其特征是:所述的进水箱通过管路与进水泵连接,所述的进水泵通过管路与缺氧池连接,所述的缺氧池池壁与DAT池池壁连接,所述的DAT池池壁与IAT池池壁连接,所述的缺氧池、所述的DAT池和所述的IAT池分别与污泥回流泵连接,所述的污泥回流泵与PLC控制箱连接,所述的IAT池通过管路分别与排水池、污泥池连接。
2.根据权利要求1所述的高效生物膜法处理高含盐废水试验系统,其特征是:所述的进水泵与所述的缺氧池管路之间具有进水阀,所述的污泥回流泵与所述的IAT池管路之间具有污泥回流阀,所述的排水池与所述的IAT管路之间具有排水电磁阀。
3.根据权利要求2所述的高效生物膜法处理高含盐废水试验系统,其特征是:所述的DAT池内具有砂头曝气装置一,所述的砂头曝气装置一与空压机一连接,所述的IAT池内具有砂头曝气装置二,所述的砂头曝气装置二与空压机二连接。
4.根据权利要求3所述的高效生物膜法处理高含盐废水试验系统,其特征是:所述的排水电磁阀、所述的空压机二分别与所述的PLC控制箱连接。
5.根据权利要求3所述的高效生物膜法处理高含盐废水试验系统,其特征是:所述的缺氧池、所述的IAT池内部分别具有搅拌器。
说明书
高效生物膜法处理高含盐废水试验系统
技术领域:
本实用新型涉及一种高效生物膜法处理高含盐废水试验系统。
背景技术:
随着我国众工业的迅速发展,排入环境中的高含盐废水的量也越来越多。这类废水的盐度较高,其中的无机盐会对普通活性污泥产生严重的抑制作用。采用活性污泥对高含盐水进行处理,结果出现了明显的盐中毒现象,曝气24h后COD去除率仅为45.8%。高浓度的盐给生物处理带来了一定的难度。在国内,采用电解、膜分离、焚烧等物化法处理的较多,但其费用较高。由于这类废水无回收价值,这些方法无法在实际应用中推广。
实用新型内容:
本实用新型的目的是提供一种高效生物膜法处理高含盐废水试验系统。
上述的目的通过以下的技术方案实现:
一种高效生物膜法处理高含盐废水试验系统,其组成包括:进水箱,所述的进水箱通过管路与进水泵连接,所述的进水泵通过管路与缺氧池连接,所述的缺氧池池壁与DAT池池壁连接,所述的DAT池池壁与IAT池池壁连接,所述的缺氧池、所述的DAT池和所述的IAT池分别与污泥回流泵连接,所述的污泥回流泵与PLC控制箱连接,所述的IAT池通过管路分别与排水池、污泥池连接。
所述的高效生物膜法处理高含盐废水试验系统,所述的进水泵与所述的缺氧池管路之间具有进水阀,所述的污泥回流泵与所述的IAT池管路之间具有污泥回流阀,所述的排水池与所述的IAT管路之间具有排水电磁阀。
所述的高效生物膜法处理高含盐废水试验系统,所述的DAT池内具有砂头曝气装置一,所述的砂头曝气装置一与空压机一连接,所述的IAT池内具有砂头曝气装置二,所述的砂头曝气装置二与空压机二连接。
所述的高效生物膜法处理高含盐废水试验系统,所述的排水电磁阀、所述的空压机二分别与所述的PLC控制箱连接。
所述的高效生物膜法处理高含盐废水试验系统,所述的缺氧池、所述的IAT池内部分别具有搅拌器。
本实用新型的有益效果:
1.本实用新型既具有高效工艺的优点,即连续性、高效性,又具有生物膜法的优点,即对水质水量变动有较强的适应性和较:赶的耐冲击负荷能力。
本实用新型向生化反应池中投加多孔立体有机填料。让微生物生长在填料表面,这大大增加了生物量,也为繁殖时间长的硝化菌提供了生长环境,这是传统活性污泥法所能做到的。
本实用新型采用比表面积大、过水通气性能良好、传质效率高的多孔悬浮有机填料,孔隙率较大,容易留住活动于水中的微生物,增加丁水、气、微生物的接触机会;该填料具有耐腐蚀性,能应用于高含盐废水的处理中;该填料在不曝气时浮于水面,曝气时均匀流化于全池,并能提高氧的利用率,从而提高了传质效果,减小了水流阻力,相对地降低了能耗。
本实用新型具有缺氧、好氧的环境,能同步脱氮除磷。







