关键词:立体网状填料;特性;应用
1概述
在活性污泥法污水处理中,最大的问题是具有良好沉降性的活性污泥之维护管理问题。为了使池内水中活性污泥的浓度>2100mg/L以上,大多数污水处理工艺中都选择污泥回流方式,回流量为50%~100%,此种方式无疑都消耗了很大能量。尽管如此,活性污泥的膨胀和流失仍时有发生,污泥随水排出,从而导致处理水质恶化。为了解决这一问题,长久以来人们就试图把液体中的浮游微生物(活性污泥)固定下来,固定载体(填料)随着时代的发展、科学的进步也在不停地改进。从载体的结构特征以及演变过程,可以分成以下几类:
1.1固定型填料
这是最早期的载体,在被处理的水体中载体处于固定不动状态。例如树枝、竹条、卵石、炉渣、重质陶粒等。有的由于堆积密度大,孔隙率小,易堵塞,清洗不便;有的比表面积小,挂膜量少。此种填料目前用量不多,仅在特殊的生物滤池中尚有使用。
1.2悬浮型填料
为了使载体的堆积密度小,比表面积大,易于清理,开发出了在被处理的水体中处于悬浮、流化状态的填料,以球形和短柱形居多。例如:多面球、齿面球、丝状球、桑德球、泡沫球、轻质陶粒、鲍尔环等等。这些填料的共同优点是结构简单,比表面积大,填充率一般为70%左右。悬浮球在水中上下左右滚动,不易堵塞,能使气、水和生物膜得到充分的混渗接触交换,且使生物膜有良好的新陈代谢和不粘连、不结团。但在运行中最大的缺点是悬浮球被空气吹浮的过程中往往挤成一堆,很难作到填料在池中均匀地悬浮。这样池内形成了许多死角,造成厌氧状态,生物膜变黑,不利于污水的硝化反应。设计中想用绳网将池分成小格,限制悬浮球乱跑,但实际应用中绳网安装制作均有困难,尚未见到成功范例。
1.3悬挂型填料
指安装时把填料两端分别拴扎在各种类型支架上使用的填料,例如软性填料、半软性填料、组合填料、弹性立体填料、自由摆动填料等。由于其结构简单、造价低、比表面积大,不易堵塞,耐冲击负荷等优点,几乎占领了目前绝大部分的污水生物处理填料市场。但是这些填料最大的问题是填料支架的腐蚀倒塌、填料中心绳的互挠断裂以及无法入池维修造成填料报废。市场上出售的产品如半软性填料的模片厚度,由最初的2mm改为现在的0.34mm,强度很弱,挂膜后弯曲下垂。中心绳在挂膜后弹性伸长,使得串片在鼓风吹动下摆动且缠绕在一起。原生产配套的钢支架、塑钢支架由于价位高,许多厂商改成一根钢筋或一根尼龙绳拉拽,一旦挂膜后,中心绳的挠曲更大,更促进了串片的缠绕直到断绳。
1.4整体型填料
指填料已加工成足够大的棱柱体,安装和检修时只需整体放入或取出的填料。这一类有蜂窝斜管、蜂窝直管、波纹板、立体网状填料等。其共同的优点是比表面积大,安装检修方便,不易堵塞,使用寿命长等。对于斜管、斜板等由于其表面光滑,生物膜易脱落,不易坐床,因此使用很少,多作为给水沉淀或循环水冷却降温用。而立体网状填料由于其特殊的结构,它的生物膜附着量特别大,且无短路区,是处理效果极佳的整体型填料。
2立体网状填料的特性
2.1结构特征
立体网状填料材质以聚丙烯高分子聚合物为主,并添加疏水性、亲水性、阻燃性、耐热性、抗冻性、抗老化性等不同助剂,以适应各种性质的污水和不同处理工艺的要求。填料的结构是将合成树脂加热溶融后,由喷丝头喷出,使丝条在不规则的旋转运动中重叠堆积,并将其相互交接点在冷却时融接成整体型立体网状结构。由于聚丙烯类合成树脂质量轻,且具有较高的机械强度,在水中不会变形。又因其不含可塑剂,故在水中不会分解或溶出有害物质。填料的形状可为棱柱体、圆柱体或扁平体,视不同需求而定。
2.2物理特征
根据纤维密度不同,填料孔隙率为95%~98%,纤维丝径Ф0.8mm~Ф1.5mm,纤维密度0.9~0.92g/cm3。填料容重随形状和空隙率不同而异,一般为9~20kg/m3。填料抗压强度较高,在水处理条件下一般不会变形,最大载荷400kg/m2条件下压缩变形不超过8%,且为弹性变形。适应温度范围为5℃~40℃,若温度在0℃以下时,填料硬度较大变脆,抗冲击性能差,必须加入特殊的添加剂,因此一般不用于冷冻水处理中。
2.3生物处理特征
(1)填料挂膜量:立体网状填料的结构为一种丝条多重交插的螺旋结构,污水在填料中呈三维流动状态,它必然成为最适宜微生物附着繁衍的温床。根据清华大学水污染控制实验室、中国地质大学水资源与环境工程实验室以及工程使用后实测数据,填料的挂膜量为:
好氧生物膜:190kg/m3~316kg/m3
厌氧生物膜:80.4kg/m3~133.1 kg/m3
(2)填料的容积负荷及处理效果
①在内循环接触氧化条件下,填料容积负荷4.43kgCOD/m3·d时,COD去除率31.5%~43.2%。
②在折流板厌氧反应器中,进水COD=300~900mg/L,污泥负荷为0.06~0.18kgCOD/kgMLSS·d,厌氧COD去除率为60%~75%,产甲烷率可达250~300mlCH4/gvss·d。
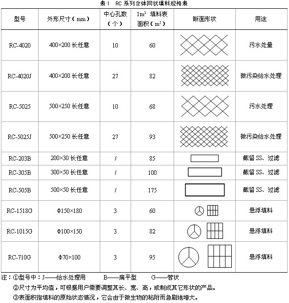
2.4填料的产品规格

3填料的技术经济比较
3.1技术经济比较表
现列举几种填料,将其性能比较列于表2中。

TSE型蜂窝直管边距为35~50 mm;
TX型悬浮填料为Ф50×50mm柱状;
TQ型球形填料为Ф50mm~Ф150mm,球内填塑料丝;
SQC型丝状球形填料为Ф150mm,球内有中心绳,其上装有横向丝条;
TA—II型弹性立体填料为片式,截面呈X型,是改进后的原YDT型立体填料;
TP型半软性填料为串片式;
TH型组合填料为半软性填料与纤维软性填料组合而成。
悬挂型支架为TK型全塑框式。
由于有些填料未能取得相关的测试数据,表2中仅列出了一部分性能参数。
3.2对比分析
(1)从结构特点分析:RC型立体网状填料由于其交插螺旋网状特点,可使污水,空气和生物膜得到充分混渗接触交换,生物膜不仅能大量地在丝条上均匀坐床,保持良好的活性和孔隙可变性,而且在运行过程中气体在三维流动的污水带动下,互相碰撞并被螺旋网不断切割成更小的气泡,增加了氧的利用率,可减少曝气量,同时可使生物膜有良好的新陈代谢作用,不致粘连结团,因此它具有气泡切割能力强、空间体积利用率大、无死区等特点,是当前污水处理中性能指标较好的填料。
(2)从安装方式上与悬挂型填料比较:立体网状填料安装方便,只需将其放在底部的格栅支架上,不需固定,装取都为整体式。并可随着水的性质与浓度及好氧、兼氧、厌氧等工艺不同,而采用相应的不同材质与形状的填料,充填率只需30%~40%。悬挂填料必须上下固定或装入笼形框架内,安装和取出十分不方便,填料与支架的摩擦以及被风吹动后中心绳摆动互相缠绕,致使其断裂倒塌,这是至今悬挂型填料刻意要求解决的问题。因此其寿命短,要求更新快,填充率一般为100%,故运行更新费用高工作量大。
(3)与悬浮型填料相比:立体网状填料不需用绳网拦截和分割池体,填充体积约为悬浮型填料的1/2,因此造价低。更重要的是TQ型球形填料因其内部填入一团塑料丝或塑料条,比表面积大,挂膜快且多。但已生成的生物膜不易从球内部脱落出来,致使老化生物膜堵死在球内,产生厌氧状态。SQC型丝状球解决了生物膜脱落问题,但因其为辐射状的直线丝条定位在绳索上,丝条之间并末粘连,不仅挂膜量少,而且挂膜困难。另外悬浮填料共同的特点是易被鼓风吹起而堆积到一处形成死水区。取出时需用爪篱将数量众多的球体捞出,工作量大。特别在埋地式设备中,很难从入孔中取出。
(4)经济比较:立体网状填料由于其填充率小,支架简单,故单位池容积填料及支架总费用仅l00~150元/m3池容积,是其它填料价的l/2~l/3。因此立体网状填料是集中了悬浮及悬挂型的优点,而克服了其缺点的新型填料。
4安装与应用
4.1填料的应用范围
(1)用于各种污水的接触氧化二级处理或三级处理,容积负荷可在0.15~4.0kgBOD/m3 ·d,可获得良好且稳定的处理水质。
(2)用于污水处理的水解池,厌氧生物滤池和复合厌氧反应器中,作为兼氧菌或厌氧菌的固定生物床。
(3)用于微污染给水生物处理中的固定生物床,去除有机物,利于后续的常规处理工艺。
(4)用于污水的深度处理,容积负荷0.15kgBOD/m3·d,进水BOD<15mg/L,处理后出水BOD<3mg/L,可作为回用水。
(5)用于流动床生物滤池的悬浮填料 (采用圆柱形)。
4.2安装注意事项
(1)空气量:接触氧化设计中空气量可按去除每kgBOD需注入空气70~90Nm3计算,也可按水气比为1:8~1:12计算。运行中需维持曝气池中溶解氧浓度为DO=2.5~4.0mg/L即可。
(2)在曝气池内由于水中有浮力作用,填料能在格栅支架上保持稳定,但是若将池内之水放空时,由于每m3填料上附着有约300kg的生污泥,为了不致将荷载全部加在填料上,引起填料弯曲或格栅支架变形等事故,需在放空污水的同时,用压力水冲洗填料,使粘附其上的生污泥随水排出。
(3)填料的适用水温为5℃~40℃,在其范围内材料有非常强韧的特性,不会变形。但在5℃以下工作时,由于其硬度增加,抗冲击性能变差,需选择有抗冷脆性添加剂的材料。另外长年在室外直射的日光曝晒下,填料会因紫外线而引起老化,致使强度降低。如必须在室外曝晒下使用,需特别注明使用耐气候、防老化型产品。一般填料应贮存在有遮阳蓬的堆场上,防止长期日晒,且避免冰冻。
(4)填料进行挂膜时,一般需往池内接种一部分活性污泥,或适当增加水体的营养物含量,以利加快挂膜速度。在18℃~20℃条件下,可按接触氧化池总容积的l%~2%接种活性污泥进行细菌培养。开始运行时经1d的闷曝后,再逐渐进水运转。在最初的5~7d内,需将空气量控制在1/2左右,这样可使微生物在立体网状填料表面很好地坐床,并粘附繁殖起来,肉眼可见填料表面有白色菌团粘附,此时方可按正常情况曝气。若一开始就采用高强度曝气,会使生物膜的附着和增殖减慢,且需要较长的稳定时间。
(5)若因生物膜量过大或由于SS过多且粘附在生物膜上,致使填料有堵塞时,只需用压力水(P:0.3Mpa)将中心孔冲洗,很快可清通。填料中止使用时,可用水冲洗填料,而后浸泡于水池中,勿使阳光强烈曝晒,更不可使池水冰冻,而影响填料的使用寿命。作者:邬象牟 来源:谷腾水网


