概述
生活污水处理是人们日常生活产生的一种有机废水,它包括冲厕排水、厨房排水、洗衣排水、泳池排污水及淋浴和盥洗排水。污水处理含有大量的有机污染物和无机污染物,如不处理会对环境造成极大危害,按照污水的去向,国家及地方分别制定了相应的污水处理排放标准。
处理工艺
生活污水处理的主要特点是可生化性好,氮、磷含量高,处理的方法主要以生化法为主。污水经污水管网汇集到化粪池,化粪池的上清夜经过处理达到相应排放标准后排放。我公司的专项生活污FILT理技术—FILT生化法,采用特殊结构载体,使好氧、厌氧、兼氧的过程在一个处理系统中反复发生,从而高效地降低污水中的有机物和氮、磷等污染物,使之达到排放要求。
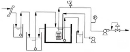
工艺流程

工艺特点
* 占地面积小,模块化设计
* 运行费用低,投资省
* 处理流程简单、管理方便
* 处理系统无气味、噪音低
* 耐冲击负荷能力强、生物链稳定、处理效果好
* 污泥消耗率高、产泥量小
* FILT生化填料使用寿命长、运行成本低
应用领域
* 小区污水处理
* 城市污水处理
* 别墅区及宾馆污水处理
设计参数

中水设备是专为工业污水和生活污水回用而研制的一种新型生化净水处理设备,其打破传统的中水水处理设施所沿用的工艺,将国际上最新膜技术工艺用于中水处理,从而构成了当今最新的中水水处理技术。其出水水质优良而稳定,适宜于冲厕、绿地、洗车、补充观赏水体等非饮用水场所,极大的利用了水资源、减少了环境污染。同时可以查看中国jk黑色丝袜美女被网站更多技术文档。
适用范围:
要求的进水水质为:BOD≤500mg/l CODcr≤1500mg/l T-N≤60mg/l SS≤400mg/l,污水经处理后达到《惠州市中水水质标准》中的要求,主要指标为:色度≤40度 COD≤50ppm、BOD≤10ppm、SS≤10ppm 、PH≤6.5~9、LAS≤1ppm
总大肠菌群≤3个、细菌总数≤100个/L、游离余氯≥0.2ppm,并且出水无不快感觉。
特 点:
出水代谢物含量极低,水质稳定优良,远远高于国家生活杂用水标准,适宜于回用。
剩余污泥少,排泥周期长,污泥无需处理。
运行费用低,每吨水运行电耗为0.38~0.80kW.H。
运行管理简单,易于实现自动化
结构简单、安装简易、占地少、易于运输。
与附属设施有机结合,易于实现系统的自检、自修、以及远程控制、具有高可靠性、无需专人维护管理。
设备采用全钢结构,制作精密,运用多种有效手段延长关键设备的寿命。来源:谷腾水网
工艺流程:



