公布日:2023.10.10
申请日:2023.06.02
分类号:C02F3/30(2023.01)I;C02F3/28(2023.01)I;C02F101/16(2006.01)N
摘要
本发明公开了一种加速启动短程硝化厌氧氨氧化生物脱氮的方法,通过将预处理后的MIL-53(Fe)和活性污泥同时投加至一体式短程硝化厌氧氨氧化反应器中进行处理。本发明利用利用MIL-53(Fe)的有机骨架为短程硝化厌氧氨氧化菌的生长提供具有大比表面积的优良载体,加速厌氧氨氧化颗粒污泥的形成;通过MIL-53的Fe金属中心,促进厌氧氨氧化菌EPS分泌,加速短程硝化厌氧氨氧化菌富集增殖;投加MIL-53同时进一步提高短程硝化厌氧氨氧化反应装置处理含氮酸性废水的稳定性,并减少厌氧氨氧化过程对亚硝态氮的依赖,节约含氮废水处理能耗。

权利要求书
1.一种加速启动短程硝化厌氧氨氧化生物脱氮的方法,其特征在于,在处理废水时,通过将预处理后的MIL-53(Fe)和活性污泥同时投加至一体式短程硝化厌氧氨氧化反应器中,采用间歇曝气模式进行周期运行,以进水、缺氧搅拌、好氧曝气、沉淀排水为一个周期,根据监测反应器内的DO和pH设置好氧/缺氧交替时间,从而提高NO2-N的积累,其中,所述预处理后的MIL-53(Fe)通过如下方法制备得到:将MIL-53(Fe)用甲醇和DMF交替清洗若干次,在60-150℃真空烘箱中活化5-10小时,将活化干燥完成后的MIL-53(Fe)用筛网进行筛分得到预处理后的MIL-53(Fe)。
2.根据权利要求1所述的方法,其特征在于,将活化干燥完成后的MIL-53(Fe)在400目的筛网进行筛分,筛分后得到粒径在0.04mm内的MIL-53(Fe)粉末。
3.根据权利要求1所述的方法,其特征在于,废水中总氮浓度控制在800~1000mg/L,活性污泥的投加浓度为2500-3500mg/L,MIL-53(Fe)的投加浓度为100-500mg/L。
4.根据权利要求1所述的方法,其特征在于,在进水阶段,控制进水体积为反应器总有效容积的50%-70%,每个周期的排水比为65%-75%,HRT为22-32h。
5.根据权利要求1所述的方法,其特征在于,在缺氧搅拌阶段,控制溶解氧浓度在0.1mg/L以下,当出水亚硝态氮浓度低于10mg/L以上停止缺氧搅拌;在好氧曝气阶段,控制溶解氧溶度在0.2-0.6mg/L,当出水氨氮浓度低于10mg/L以上停止好氧曝气。
6.根据权利要求1所述的方法,其特征在于,在沉淀排水阶段,沉淀时间为10-30min,排泥量为总泥量的10-20%,沉淀后的上清液通过排水阀排出。
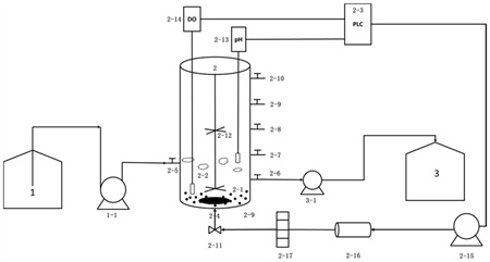
7.一种短程硝化厌氧氨氧化生物脱氮装置,其特征在于,包括依次相连的原水进水箱(1)、一体式短程硝化厌氧氨氧化反应器(2)、污水出水箱(3);所述一体式厌氧氨氧化反应器(2)包括反应器本体、污泥投加单元、加速剂投加单元、水质在线监测组件(2-3)和曝气装置(2-4);所述污泥投加单元内设置有颗粒污泥(2-1)和活性污泥(2-2);所述加速剂投加单元中设置有预处理后的MIL-53(Fe),所述预处理后的MIL-53(Fe)通过如下方法制备得到:将MIL-53(Fe)用甲醇和DMF交替清洗若干次,在60-150℃真空烘箱中活化5-10小时,将活化干燥完成后的MIL-53(Fe)在400目的筛网进行筛分,筛分后得到粒径在0.04mm内的MIL-53粉末。
8.根据权利要求7所述的装置,其特征在于,所述反应器本体设置有进水阀(2.5)、进气阀(2-11)、双桨搅拌器(2-12)和若干排水阀;所述水质在线监测组件(2-3)包括pH在线监测仪(2-13)和DO在线监测仪(2-14);所述曝气装置(2-4)包括与进气阀(2-11)依次相连的电子流量计(2-17)、稳流器(2-16)和变频气泵(2-15)。
9.根据权利要求8所述的装置,其特征在于,所述pH在线监测仪(2-13)、DO在线监测仪(2-14)和变频气泵(2-15)均与PLC控制器通信连接。
10.根据权利要求7所述的装置,其特征在于,所述原水进水箱(1)通过进水泵(1-1)与一体式短程硝化厌氧氨氧化反应器(2)相连接;所述污水出水箱(3)通过出水泵(3-1)与一体式短程硝化厌氧氨氧化反应器相连接。
发明内容
发明目的:本发明所要解决的技术问题是针对现有技术的不足,提供一种加速启动短程硝化厌氧氨氧化生物脱氮的装置和方法,实现一体式短程硝化厌氧氨氧化反应装备的快速启动及在真实污水处理中的应用。
为了解决上述技术问题,本发明公开了一种加速启动短程硝化厌氧氨氧化生物脱氮的方法,通过将预处理后的MIL-53(Fe)和活性污泥同时投加至一体式短程硝化厌氧氨氧化反应器中,采用间歇曝气模式进行周期运行,以进水、缺氧搅拌、好氧曝气、沉淀排水为一个周期,通过监测反应器内的DO和pH,根据DO和pH值变化曲线上的特征点设置好氧/缺氧交替时间,从而提高NO2-N的积累,其中,所述预处理后的MIL-53(Fe)通过如下方法制备得到:将MIL-53(Fe)用甲醇和DMF交替清洗若干次,在60-150℃真空烘箱中活化5-10小时,将活化干燥完成后的MIL-53(Fe)用筛网进行筛分得到预处理后的MIL-53(Fe)。
优选地,将活化干燥完成后的MIL-53(Fe)在400目的筛网进行筛分,筛分后得到粒径在0.04mm内的MIL-53(Fe)粉末。
其中,活性污泥的投加浓度为2500-3500mg/L,MIL-53(Fe)的投加浓度为100-500mg/L。
优选地,在进水阶段,控制进水体积为反应器总有效容积的50%-70%,每个周期的排水比为65%-75%,HRT为22-32h。
其中,在缺氧搅拌阶段,控制溶解氧浓度在0.1mg/L以下,当出水亚硝态氮浓度低于10mg/L以上停止缺氧搅拌;在好氧曝气阶段,控制溶解氧溶度在0.2-0.6mg/L,当出水氨氮浓度低于10mg/L以上停止好氧曝气。
在沉淀排水阶段,沉淀时间为10-30min,排泥量为总泥量的10-20%,沉淀后的上清液通过排水阀排出。
本发明进一步提出一种短程硝化厌氧氨氧化生物脱氮装置,包括依次相连的原水进水箱、一体式短程硝化厌氧氨氧化反应器、污水出水箱;所述一体式厌氧氨氧化反应器包括反应器本体、污泥投加单元、加速剂投加单元、水质在线监测组件和曝气装置;所述污泥投加单元内设置有颗粒污泥和活性污泥;所述加速剂投加单元中设置有预处理后的MIL-53(Fe),所述预处理后的MIL-53(Fe)通过如下方法制备得到:将MIL-53(Fe)用甲醇和DMF交替清洗若干次,在60-150℃真空烘箱中活化5-10小时,将活化干燥完成后的MIL-53(Fe)在400目的筛网进行筛分,筛分后得到粒径在0.04mm内的MIL-53粉末。
其中,所述反应器本体设置有进水阀、进气阀、双桨搅拌器和若干排水阀;所述水质在线监测组件包括pH在线监测仪和DO在线监测仪;所述曝气装置包括与进气阀依次相连的电子流量计、稳流器和变频气泵。
所述pH在线监测仪、DO在线监测仪和变频气泵均与PLC控制器通信连接。
所述原水进水箱通过进水泵与一体式短程硝化厌氧氨氧化反应器相连接;所述污水出水箱通过出水泵与一体式短程硝化厌氧氨氧化反应器相连接。
反应结束后,加磁场回收MIL-53,甲醇洗涤,120℃烘干后循环利用。
有益效果:与现有技术相比,本申请具有如下优点:
(1)MIL-53有机骨架的高比表面积和吸附能力,可以为厌氧氨氧化微生物提供更多的吸附位点,为厌氧氨氧化菌的生长繁殖提供了优良的载体,缩短厌氧氨氧化反应的启动时长;
(2)MIL-53的Fe金属中心,有助于促进厌氧氨氧化菌EPS分泌,促进短程硝化厌氧氨氧化菌聚集增殖;
(3)MIL-53对pH的拓宽作用,可以显著提高系统抵抗废水pH值变化冲击的能力,从而提高短程硝化厌氧氨氧化反应装置处理实际酸性含氮废水的稳定性;
(4)MIL-53具有路易斯酸催化功能,可以充当电子受体,减少厌氧氨氧化过程对亚硝态氮的依赖,节约含氮废水处理能耗。
(发明人:蔡舒;蔡天明;岑非非;孙佳佳;贝倩文)






