申请日2016.05.04
公开(公告)日2016.09.28
IPC分类号C02F9/06
摘要
本实用新型公开了一种纯水处理系统,包括依次设置的源水沉淀池、机械过滤装置、活性炭过滤装置、精密过滤器一、反渗透膜、TOC脱出器、EDI系统一及密封储蓄池,所述源水沉淀池与机械过滤装置之间设有源水泵;还包括依次设置的回收池、精密过滤器二、EDI系统二,所述EDI系统二连通至密封储蓄池,所述回收池与精密过滤器二之间设有回收泵。本系统节省时间,节约能源。
权利要求书
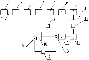
1.一种纯水处理系统,其特征在于:包括依次设置的源水沉淀池(1)、机械过滤装置(2)、活性炭过滤装置(3)、精密过滤器一(4)、反渗透膜(5)、TOC脱出器(6)、EDI系统一(7)及密封储蓄池(8),所述源水沉淀池(1)与机械过滤装置(2)之间设有源水泵(9);还包括依次设置的回收池(10)、精密过滤器二(11)、EDI系统二(12),所述EDI系统二(12)连通至密封储蓄池(8),所述回收池(10)与精密过滤器二(11)之间设有回收泵(13)。
2.根据权利要求1所述的一种纯水处理系统,其特征在于:还包括液位计一(14),所述液位计一(14)设置在密封储蓄池(8)中,所述液位计一(14)通过电磁继电器一(15)连接至源水泵(9)。
3.根据权利要求1所述的一种纯水处理系统,其特征在于:还包括液位计二(16),所述液位计二(16)设置在回收池(10)中,所述液位计二(16)通过电磁继电器二(17)连接至回收泵(13)。
说明书
一种纯水处理系统
技术领域
本实用新型涉及一种纯水处理系统。
背景技术
纯水在工业中的应用极光,一般情况下,纯水使用后及废弃,需要的话重新通过源水制备,耗费时间和能源。
发明内容
本实用新型的目的在于:提供一种高效利用的纯水处理系统。
本实用新型是通过以下技术方案实现的:一种纯水处理系统,包括依次设置的源水沉淀池、机械过滤装置、活性炭过滤装置、精密过滤器一、反渗透膜、TOC脱出器、EDI系统一及密封储蓄池,所述源水沉淀池与机械过滤装置之间设有源水泵;还包括依次设置的回收池、精密过滤器二、EDI系统二,所述EDI系统二连通至密封储蓄池,所述回收池与精密过滤器二之间设有回收泵。
进一步的,还包括液位计一,所述液位计一设置在密封储蓄池中,所述液位计一通过电磁继电器一连接至源水泵。
进一步的,还包括液位计二,所述液位计二设置在回收池中,所述液位计二通过电磁继电器二连接至回收泵。
与现有技术相比,本实用新型具有以下有益效果:
一、本实用新型的纯水处理系统,使用过的纯水经回收后再处理,因为之前就是纯水,二次处理可以节省很多步骤,省时省资源。
二、本实用新型的纯水处理系统,液位计一设置在密封储蓄池中,并通过电磁继电器一连接至源水泵。当液位计一感应到储蓄池中水位过低时,接通源水泵开始制备新的纯水
三、本实用新型的纯水处理系统,液位计二设置在回收池中,并通过电磁继电器二连接至回收泵。当感应到回收池中水位过低时,断开回收泵电源。



