申请日2016.04.28
公开(公告)日2016.07.06
IPC分类号B67C3/30
摘要
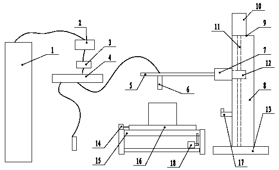
本发明公开了一种工业用水处理药剂的灌装装置,包括储药罐、泵、喷头和待装桶放置架,泵进料口通过管道连接到储药罐,出料口连接到流量阀,流量阀通过管道连接到同步阀,同步阀通过管道连接到多个喷头,所述每个喷头安装在安装板上,安装板通过上下位置调整机构连接到立柱上,待装桶放置架置于输送带上,输送带将待装桶移动到喷头下,喷头可正对待装桶。本发明通过同步阀连接多个喷头,通过泵连接储药罐实现同时灌装,大大提高了灌装效率,并且采用输送带输送待装桶和调整机构调整喷头位置,省时省力,流量阀控制减少了单独称重繁琐,重量也便于控制,大大提高了生产效率,并且本发明还具有操作使用和装卸维护方便、控制方便的特点。
权利要求书
1.一种工业用水处理药剂的灌装装置,其特征在于:包括储药罐(1)、泵(2)、喷头(6)和待装桶放置架(16),所述泵(2)进料口通过防腐蚀管道连接到储药罐(1),出料口连接到流量阀(3),所述流量阀(3)通过防腐蚀管道连接到同步阀(4),所述同步阀(4)通过管道连接到多个喷头(6),所述每个喷头(6)安装在安装板(5)上,所述安装板(5)通过上下位置调整机构(9)连接到立柱(8)上,所述待装桶放置架(16)置于输送带(15)上,输送带(15)将待装桶移动到喷头(6)下,喷头(6)可正对待装桶桶口。
2.根据权利要求1所述的一种工业用水处理药剂的灌装装置,其特征在于:所述上下位置调整机构(9)包括滑板(7)、丝母(12)和丝杠(11),所述丝母(12)安装在滑板(7)背部,?招?显谒扛?11)上,所述丝杠(11)可转动地安装在立柱(8)上,一端连接有驱动电机(10)。
3.根据权利要求2所述的一种工业用水处理药剂的灌装装置,其特征在于:所述立柱上设置有行程开关一(17),所述行程开关一(17)用于限位喷头(6)移动的极限距离。
4.根据权利要求1所述的一种工业用水处理药剂的灌装装置,其特征在于:所述输送带(15)上设置有行程开关二(14),所述行程开关二(14)用于限定待装桶放置架(16)位置。
5.根据权利要求1所述的一种工业用水处理药剂的灌装装置的控制装置,其特征在于:包括控制器,所述控制器连接有行程开关二(14)、输送带驱动电机(18)、流量阀(3)、驱动电机(10)和泵(2)。
6.根据权利要求5所述的一种工业用水处理药剂的灌装装置的控制装置,其特征在于:所述控制器还连接有行程开关一(17)和报警装置。
说明书
一种工业用水处理药剂的灌装装置
技术领域
本发明涉及一种工业用水处理药剂的灌装装置,属于工业用水制作设备技术领域。
背景技术
现有的工业用水处理药剂制作完成后常常会采用手工进行灌装,灌装效率低,费时费力,人力成本高,重量也便于控制。
发明内容
本发明要解决的技术问题是:针对上述现有技术中存在的问题,提供一种工业用水处理药剂的灌装装置,灌装效率高,省时省力,人力成本低,重量也便于控制。
本发明采取的技术方案为:一种工业用水处理药剂的灌装装置,其特征在于:包括储药罐、泵、喷头和待装桶放置架,所述泵进料口通过防腐蚀管道连接到储药罐,出料口连接到流量阀,所述流量阀通过防腐蚀管道连接到同步阀,所述同步阀通过管道连接到多个喷头,所述每个喷头安装在安装板上,所述安装板通过上下位置调整机构连接到立柱上,所述待装桶放置架置于输送带上,输送带将待装桶移动到喷头下,喷头可正对待装桶桶口。
优选的,上述上下位置调整机构包括滑板、丝母和丝杠,所述丝母安装在滑板背部,?招?显谒扛苌希??鏊扛芸勺??匕沧霸诹⒅?希?欢肆?佑星??缁??ü???缁?退扛芩磕父笔迪峙缤返纳舷挛恢玫髡??髡?焖伲?恢每刂凭?贰?/P>
优选的,上述立柱上设置有行程开关一,所述行程开关一用于限位喷头移动的极限距离,提高设备运行的安全性。
优选的,上述输送带上设置有行程开关二,所述行程开关二用于限定待装桶放置架位置。
一种工业用水处理药剂的灌装装置的控制装置,包括控制器,所述控制器连接有行程开关二、输送带驱动电机、流量阀、驱动电机和泵,当输送带将待装桶输送到指定位置撞击到行程开关二,输送带驱动电机停止运转,启动上下位置调整机构的驱动电机进行喷头位置的调整,位置达到指定位置后,启动泵进行灌装,待流量阀流过的设定流量后停止泵,完成灌装,自动进行灌装,大大提高了生产效率。
一种工业用水处理药剂的灌装装置的控制装置的控制装置,所述控制器还连接有行程开关一和报警装置。
本发明的有益效果:与现有技术相比,本发明通过同步阀连接多个安装板的喷头,通过泵连接储药罐实现同时灌装,大大提高了灌装效率,并且采用输送带输送待装桶和调整机构调整喷头位置,省时省力,流量阀控制减少了单独称重繁琐,重量也便于控制,大大提高了生产效率,并且本发明还具有操作使用和装卸维护方便、控制方便的特点。







