申请日2015.08.20
公开(公告)日2015.12.30
IPC分类号C02F1/50
摘要
一体化污水加药消毒装置,涉及污水处理。提供一种消毒时间可控、消毒彻底的小型一体化污水加药消毒装置。设有污水提升泵、污水调节池、污水消毒池、计量加药泵、消毒箱;所述污水调节池与污水消毒池之间设有调节池出水阀门,所述污水调节池设有调节池溢流口、高液位控制器、低液位控制器,所述污水消毒池底部两侧分别设取水质样阀和消毒池时控阀门,所述污水消毒池顶部两侧分别设置高液位指示器和消毒池溢流口,所述消毒箱的底部设有低液位指示器,消毒箱的顶部通过管道与外界水源连接,所述管道上设有球阀。
权利要求书
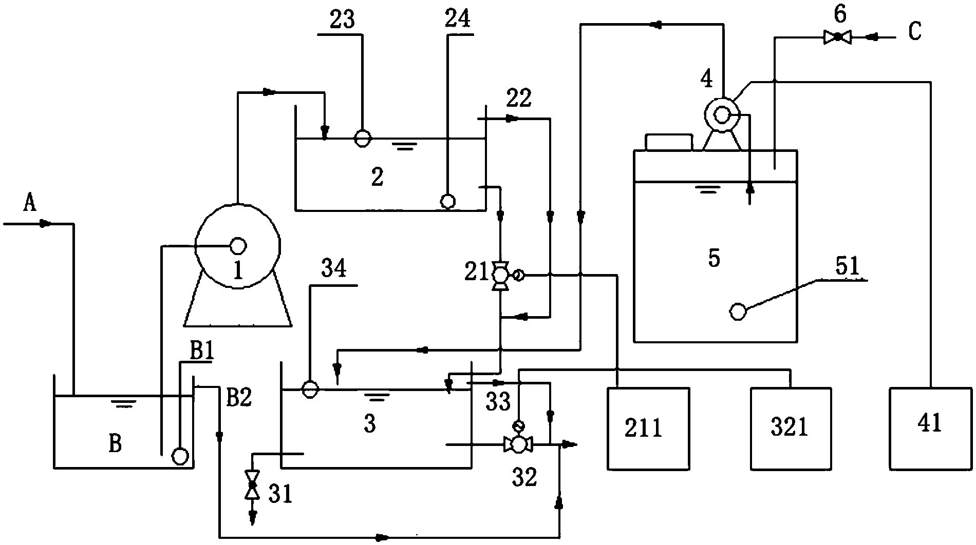
1.一体化污水加药消毒装置,其特征在于设有污水提升泵、污水调节池、污水消毒池、 计量加药泵、消毒箱;所述污水消毒池位于污水调节池下方,所述消毒箱位于污水调节池右 侧,所述污水提升泵、污水调节池、污水消毒池、计量加药泵和消毒箱之间通过管道连接; 所述污水调节池与污水消毒池之间设有调节池出水阀门,调节池出水阀门与调节池出水阀门 时控器电连接;所述计量加药泵设于消毒箱的顶部,所述计量加药泵与加药泵时控器电连接;
所述污水调节池设有调节池溢流口、高液位控制器、低液位控制器,所述调节池溢流口 通过管道与污水消毒池连接;
所述污水消毒池底部两侧分别设取水质样阀和消毒池时控阀门,所述污水消毒池顶部两 侧分别设置高液位指示器和消毒池溢流口,所述消毒池溢流口通过管道与收集池的溢流口连 接,所述消毒池时控阀门分别与消毒池时控器和出水管连接;
所述消毒箱的底部设有低液位指示器,消毒箱的顶部通过管道与外界水源连接,所述管 道上设有球阀。
说明书
一体化污水加药消毒装置
技术领域
本实用新型涉及污水处理,尤其是涉及一种小型一体化污水加药消毒装置。
背景技术
现有污水消毒装置一般只有一个消毒池,因此在消毒的同时,污水还在不断流入进来, 造成已经消毒的污水和未经消毒的污水混合在一起,按照加氯消毒的要求,污水中余氯的含 量必须达到2~10ppm,且停留时间不低于1.5h以上,虽然占地面积较小,成本较低,但是 消毒不彻底,造成部分污水消毒不彻底,就流入市政管道,造成环境污染。
发明内容
本实用新型的目的在于提供一种消毒时间可控、消毒彻底的小型一体化污水加药消毒装 置。
本实用新型设有污水提升泵、污水调节池、污水消毒池、计量加药泵、消毒箱;所述污 水消毒池位于污水调节池下方,所述消毒箱位于污水调节池右侧,所述污水提升泵、污水调 节池、污水消毒池、计量加药泵和消毒箱之间通过管道连接;所述污水调节池与污水消毒池 之间设有调节池出水阀门,调节池出水阀门与调节池出水阀门时控器电连接;所述计量加药 泵设于消毒箱的顶部,所述计量加药泵与加药泵时控器电连接;
所述污水调节池设有调节池溢流口、高液位控制器、低液位控制器,所述调节池溢流口 通过管道与污水消毒池连接;
所述污水消毒池底部两侧分别设取水质样阀和消毒池时控阀门,所述污水消毒池顶部两 侧分别设置高液位指示器和消毒池溢流口,所述消毒池溢流口通过管道与收集池的溢流口连 接,所述消毒池时控阀门分别与消毒池时控器和出水管连接;
所述消毒箱的底部设有低液位指示器,消毒箱的顶部通过管道与外界水源连接,所述管 道上设有球阀。
本实用新型的有益效果如下:
本实用新型自动化程度较高,消毒彻底,不需要土建,安装及维护方便,尤其适用于小 型医院及门诊部的污水消毒处理;本实用新型设置一个调节池和消毒池,消毒池的污水通过 液位控制器定量,每次加同等量的二氧化氯或次氯酸钠溶液,保证污水中的余氯浓度在2~ 10ppm范围,再通过时间控制器来控制消毒池的污水排放时间,保证污水在消毒池的停留时 间不低于1.5h,达到彻底消毒效果。







