公布日:2023.11.07
申请日:2023.08.10
分类号:C02F1/04(2023.01)I;C02F1/22(2023.01)I;C02F1/38(2023.01)I;C01D5/18(2006.01)I;C01D5/16(2006.01)I;F25B9/00(2006.01)I;F25B49/02(2006.01)I
摘要
本发明涉及一种处理硫酸钠废水的零排放系统,包括冷却结晶单元、蒸发结晶单元和产品制备单元。废水先经过冷冻结晶单元处理后产生硫酸钠结晶和冷冻结晶母液;冷冻结晶母液再经过蒸发结晶单元处理。蒸发结晶单元包括一级预热器、二级预热器、负压蒸发器;初始热蒸汽先通入二级预热器中对冷冻结晶母液进行二级预热,二级预热器出来产生的高温凝水通入一级预热器中对冷冻结晶母液进行一级预热;冷冻结晶母液依次经一级和二级预热后,通入负压蒸发器中进行负压蒸发结晶,产生的硫酸钠结晶与冷却结晶单元产生的硫酸钠结晶合并,干燥后产生硫酸钠产品。本发明可回收水资源和工业盐,达到低成本零排放的目的,具有回收率高、能耗低的优点。

权利要求书
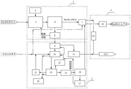
1.一种处理硫酸钠废水的零排放系统,其特征在于,其包括冷却结晶单元(1)、蒸发结晶单元(2)和产品制备单元(3);所述冷却结晶单元(1)包括冷冻结晶器(5)和第一离心机(6);高浓度硫酸钠废水进入冷冻结晶器(5)进行冷冻结晶,产生含有结晶的固液混合物,经第一离心机(6)离心,产生硫酸钠结晶和冷冻结晶母液;所述蒸发结晶单元(2)包括一级预热器(9)、二级预热器(10)、负压蒸发器(14)和第二离心机(16);初始热蒸汽先通入二级预热器(10)中对冷冻结晶母液进行二级预热,初始热蒸汽从二级预热器(10)出来产生的高温凝水通入一级预热器(9)中对冷冻结晶母液进行一级预热;冷却结晶单元(1)产生的冷冻结晶母液依次经一级预热器(9)和二级预热器(10)预热后,通入负压蒸发器(14)中进行负压蒸发结晶,产生含有结晶的固液混合物送入第二离心机(16)离心分离,产生的硫酸钠结晶与第一离心机(6)产生的硫酸钠结晶合并,干燥后产生硫酸钠产品。
2.根据权利要求1所述的零排放系统,其特征在于,所述冷却结晶单元(1)还包括CO2制冷机(4),其向冷冻结晶器(5)提供冷量,使冷冻结晶器(5)中高浓度硫酸钠废水的温度冷却至0-5℃。
3.根据权利要求1所述的零排放系统,其特征在于,所述冷却结晶单元(1)还包括第一母液罐(8),含有结晶的固液混合物进入第一离心机(6)离心后产生的冷冻结晶母液进入第一母液罐(8),第一母液罐(8)以管道连接冷冻结晶器(5),使一部分冷冻结晶母液返回到冷冻结晶器(5)再次被结晶;第一母液罐(8)还以管道连接一级预热器(9),使另一部分冷冻结晶母液进入到蒸发结晶单元(2)中的一级预热器(9)被预热。
4.根据权利要求1所述的零排放系统,其特征在于,所述冷却结晶单元(1)还包括干燥机(7),所述第二离心机(16)离心分离产生的硫酸钠结晶与第一离心机(6)产生的硫酸钠结晶,被送入到干燥机(7)中干燥;初始热蒸汽通入所述干燥机(7)中以提供干燥所需的热量,初始热蒸汽从干燥机(7)出来后产生冷凝淡水,冷凝淡水进入产品制备单元(3)的第一冷凝淡水罐(19)储存以产生淡水。
5.根据权利要求1-4任一项所述的零排放系统,其特征在于,所述蒸发结晶单元(2)还包括第二冷凝淡水罐(11),初始热蒸汽先通入二级预热器(10)中对冷冻结晶母液进行二级预热,初始热蒸汽从二级预热器(10)出来后温度降低,所产生高温凝水通入一级预热器(9)中对冷冻结晶母液进行一级预热,从一级预热器(9)出来后温度进一步降低,产生冷凝淡水,冷凝淡水进入第二冷凝淡水罐(11)储存以产生淡水。
6.根据权利要求1-4任一项所述的零排放系统,其特征在于,所述蒸发结晶单元(2)还包括真空系统(18),其与负压蒸发器(14)连接,使负压蒸发器(14)保持负压,加快蒸发速度降低蒸发温度;负压蒸发器(14)内温度为85-95℃,优选90℃;真空系统(18)还与二级预热器(10)连接,使二级预热器(10)保持负压。
7.根据权利要求1-4任一项所述的零排放系统,其特征在于,负压蒸发器(14)连接蒸汽压缩机(13),经过二级预热器(10)预热的冷冻结晶母液进入到负压蒸发器(14)被闪蒸并产生二次蒸汽,二次蒸汽经蒸汽压缩机(13)压缩提温后进入二级预热器(10)对冷冻结晶母液进行预热,其温度降低并从二级预热器(10)出来所产生的高温凝水通入一级预热器(9)中对冷冻结晶母液进行一级预热,从一级预热器(9)出来后温度进一步降低,产生冷凝淡水,冷凝淡水进入第二冷凝淡水罐(11)储存以产生淡水;其中,通入二级预热器(10)的二次蒸汽的量是通入二级预热器(10)的初始热蒸汽的1-100倍。
8.根据权利要求1-4任一项所述的零排放系统,其特征在于,所述蒸发结晶单元(2)还包括稠厚器(15),所述冷冻结晶母液在负压蒸发器(14)中进行负压蒸发结晶,产生含有结晶的固液混合物进入稠厚器(15)中进行含固率的调整,随后再进入第二离心机(16)离心分离。
9.根据权利要求1-4任一项所述的零排放系统,其特征在于,第二离心机(16)产生的离心母液进入第二母液罐(17)暂存,暂存的离心母液回流至二级预热器(10)与来自一级预热器(9)的冷冻结晶母液一起被预热并进入负压蒸发器(14)中进行蒸发结晶;所述蒸发结晶单元(2)还包括循环泵(12),其设于负压蒸发器(14)与二级预热器(10)之间,循环泵(12)用于将负压蒸发器(14)中的冷冻结晶母液循环泵入二级预热器(10)中,与来自一级预热器(9)的冷冻结晶母液一起被预热并进入负压蒸发器(14)中进行循环蒸发结晶。
10.一种处理硫酸钠废水的零排放方法,其特征在于,包括:S1、对含硫酸钠溶液进行预处理和浓缩减量化处理,得到高浓度硫酸钠废水;S2、用冷冻结晶器对高浓度硫酸钠废水处理产生含有结晶的固液混合物,离心得到硫酸钠结晶和冷冻结晶母液;硫酸钠结晶烘干得到硫酸钠产品;其中一部分冷冻结晶母液回流到冷冻结晶器中循环被冷冻结晶;S3、另一部分冷冻结晶母液依次被一级预热器和二级预热器预加热后,进入负压蒸发器中蒸发产生含有结晶的固液混合物,离心得到硫酸钠结晶和离心母液,硫酸钠结晶烘干得到硫酸钠产品;二级预热的温度高于一级预热;负压蒸发器稳定运行前,二级预热器最初由外源的初始加热蒸汽提供热源,初始加热蒸汽输入二级预热器中对冷冻结晶母液进行二级预热,初始加热蒸汽温度降低后产生的高温凝水进入一级预热器对冷冻结晶母液进行一级预热,高温凝水从一级预热器出来后产生冷凝淡水;负压蒸发器稳定运行后,二级预热器的加热热源由负压蒸发器提供:冷冻结晶母液经二级预热器加热后进入负压蒸发器被蒸发以产生二次蒸汽,二次蒸汽被压缩提温后作为热源循环输入二级预热器,二次蒸汽从二级预热器出来后温度降低并产生高温凝水,其进入一级预热器对冷冻结晶母液进行一级预热,最后从一级预热器出来变成冷凝淡水。
发明内容
(一)要解决的技术问题
鉴于现有技术的上述缺点、不足,本发明提供一种处理硫酸钠废水的零排放系统,其包括冷冻结晶单元、蒸发结晶单元和产品制备单元,高浓度硫酸钠废水先经冷冻结晶单元处理,之后冷冻结晶母液进入蒸发结晶单元再次结晶,可提高淡水和硫酸钠固体的回收率,冷冻结晶单元和蒸发结晶单元产生的结晶合并进入产品制备单元产生硫酸钠产品;所述系统回收水资源的同时回收工业原料变废为宝,达到低成本零排放的目的,具有回收率高、能耗低的优点。
(二)技术方案
第一方面,本发明提供一种处理硫酸钠废水的零排放系统,其包括冷却结晶单元(1)、蒸发结晶单元(2)和产品制备单元(3);
所述冷却结晶单元(1)包括冷冻结晶器(5)和第一离心机(6);高浓度硫酸钠废水进入冷冻结晶器(5)进行冷冻结晶,产生含有结晶的固液混合物,经第一离心机(6)离心,产生硫酸钠结晶(十水硫酸钠固体)和冷冻结晶母液;
所述蒸发结晶单元(2)包括一级预热器(9)、二级预热器(10)、负压蒸发器(14)和第二离心机(16);初始热蒸汽先通入二级预热器(10)中对冷冻结晶母液进行二级预热,初始热蒸汽从二级预热器(10)出来产生的高温凝水通入一级预热器(9)中对冷冻结晶母液进行一级预热;冷却结晶单元(1)产生的冷冻结晶母液依次经一级预热器(9)和二级预热器(10)预热后,通入负压蒸发器(14)中进行负压蒸发结晶,产生含有结晶的固液混合物送入第二离心机(16)离心分离,产生的硫酸钠结晶与第一离心机(6)产生的硫酸钠结晶合并,干燥后产生硫酸钠产品。
根据本发明的较佳实施例,所述冷却结晶单元(1)还包括CO2制冷机(4),其向冷冻结晶器(5)提供冷量,使冷冻结晶器(5)中高浓度硫酸钠废水的温度冷却至0-5℃。
根据本发明的较佳实施例,所述冷却结晶单元(1)还包括第一母液罐(8),含有结晶的固液混合物进入第一离心机(6)离心后产生的冷冻结晶母液进入第一母液罐(8),第一母液罐(8)以管道连接冷冻结晶器(5),使一部分冷冻结晶母液返回到冷冻结晶器(5)再次被结晶;第一母液罐(8)还以管道连接一级预热器(9),使另一部分冷冻结晶母液进入到蒸发结晶单元(2)中的一级预热器(9)被预热。
根据本发明的较佳实施例,所述冷却结晶单元(1)还包括干燥机(7),所述第二离心机(16)离心分离产生的硫酸钠结晶与第一离心机(6)产生的硫酸钠结晶,被送入到干燥机(7)中干燥;初始热蒸汽通入所述干燥机(7)中以提供干燥所需的热量,初始热蒸汽从干燥机(7)出来后产生冷凝淡水,冷凝淡水进入产品制备单元(3)的第一冷凝淡水罐(19)储存以产生淡水。
根据本发明的较佳实施例,所述蒸发结晶单元(2)还包括第二冷凝淡水罐(11),初始热蒸汽先通入二级预热器(10)中对冷冻结晶母液进行二级预热,初始热蒸汽从二级预热器(10)出来后温度降低,所产生高温凝水通入一级预热器(9)中对冷冻结晶母液进行一级预热,从一级预热器(9)出来后温度进一步降低,产生冷凝淡水,冷凝淡水进入第二冷凝淡水罐(11)储存以产生淡水。
根据本发明的较佳实施例,所述蒸发结晶单元(2)还包括真空系统(18),其与负压蒸发器(14)连接,使负压蒸发器(14)保持负压,加快蒸发速度降低蒸发温度;负压蒸发器(14)内温度为85-95℃,优选90℃;真空系统(18)还与二级预热器(10)连接,使二级预热器(10)保持负压。
根据本发明的较佳实施例,负压蒸发器(14)连接蒸汽压缩机(13),经过二级预热器(10)预热的冷冻结晶母液进入到负压蒸发器(14)被闪蒸并产生二次蒸汽,二次蒸汽经蒸汽压缩机(13)压缩提温后进入二级预热器(10)对冷冻结晶母液进行预热,其温度降低并从二级预热器(10)出来所产生的高温凝水通入一级预热器(9)中对冷冻结晶母液进行一级预热,从一级预热器(9)出来后温度进一步降低,产生冷凝淡水,冷凝淡水进入第二冷凝淡水罐(11)储存以产生淡水;其中,通入二级预热器(10)的二次蒸汽的量是通入二级预热器(10)的初始热蒸汽的1-100倍。
根据本发明的较佳实施例,所述蒸发结晶单元(2)还包括稠厚器(15),所述冷冻结晶母液在负压蒸发器(14)中进行负压蒸发结晶,产生含有结晶的固液混合物进入稠厚器(15)中进行含固率的调整,随后再进入第二离心机(16)离心分离。
根据本发明的较佳实施例,第二离心机(16)产生的离心母液进入第二母液罐(17)暂存,暂存的离心母液回流至二级预热器(10)与来自一级预热器(9)的冷冻结晶母液一起被预热并进入负压蒸发器(14)中进行蒸发结晶。
根据本发明的较佳实施例,所述蒸发结晶单元(2)还包括循环泵(12),其设于负压蒸发器(14)与二级预热器(10)之间,循环泵(12)用于将负压蒸发器(14)中的冷冻结晶母液循环泵入二级预热器(10)中,与来自一级预热器(9)的冷冻结晶母液一起被预热并进入负压蒸发器(14)中进行循环蒸发结晶。
根据本发明的较佳实施例,所述产品制备单元(3)包括袋装机(20);第二离心机(16)离心分离产生的硫酸钠结晶与第一离心机(6)产生的硫酸钠结晶经干燥机(7)干燥后,由袋装机(20)对干燥产生的硫酸钠产品进行封装。
根据本发明的较佳实施例,所述零排放系统还包括预处理及减量化浓缩处理装置,用于对硫酸钠废水进行预处理和浓缩减量化后产生高浓度硫酸钠废水,高浓度硫酸钠废水依次通过所述冷却结晶单元(1)和蒸发结晶单元(2)进行两级结晶和固液分离处理;所述高浓度硫酸钠废水的质量浓度为5-8%。
根据本发明的较佳实施例,所述预处理及减量化浓缩处理装置包括微滤、超滤、纳滤、反渗透中的一种或几种的组合。
第一方面,本发明提供一种处理硫酸钠废水的零排放方法,其包括:
S1、对含硫酸钠溶液进行预处理和浓缩减量化处理,得到高浓度硫酸钠废水;
S2、用冷冻结晶器对高浓度硫酸钠废水处理产生含有结晶的固液混合物,离心得到硫酸钠结晶和冷冻结晶母液;硫酸钠结晶烘干得到硫酸钠产品;其中一部分冷冻结晶母液回流到冷冻结晶器中循环被冷冻结晶;
S3、另一部分冷冻结晶母液依次被一级预热器和二级预热器预加热后,进入负压蒸发器中蒸发产生含有结晶的固液混合物,离心得到硫酸钠结晶和离心母液,硫酸钠结晶烘干得到硫酸钠产品;二级预热的温度高于一级预热;
负压蒸发器稳定运行前,二级预热器最初由外源的初始加热蒸汽提供热源,初始加热蒸汽输入二级预热器中对冷冻结晶母液进行二级预热,初始加热蒸汽温度降低后产生的高温凝水进入一级预热器对冷冻结晶母液进行一级预热,高温凝水从一级预热器出来后产生冷凝淡水;负压蒸发器稳定运行后,二级预热器的加热热源由负压蒸发器提供:冷冻结晶母液经二级预热器加热后进入负压蒸发器被蒸发以产生二次蒸汽,二次蒸汽被压缩提温后作为热源循环输入二级预热器,二次蒸汽从二级预热器出来后温度降低并产生高温凝水,其进入一级预热器对冷冻结晶母液进行一级预热,最后从一级预热器出来变成冷凝淡水。
由于冷冻结晶排出的冷冻结晶母液的温度很低,进入一级预热器和二级预热器后,可以吸收负压蒸发器所产生的二次蒸汽的热量,因此无需再外界额外输入冷却水对负压蒸发器产生的蒸汽进行冷却,节省了输入冷却水所需的能耗和水耗。
(三)有益效果
本发明的技术效果包括:
(1)通过先对高浓度硫酸钠废水(5-8%)进行冷冻结晶,后蒸发结晶,可提高硫酸钠和淡水的回收率,大幅减小后续蒸发结晶的装置处理规模,整个零排放系统总能耗可降低40%以上。
(2)冷冻结晶单元排出的母液温度很低,足够冷凝蒸发结晶的蒸汽热能,无需外界额外输入冷却水,同时节约了冷却水输入所产生的泵能耗和水耗。
(3)冷冻结晶单元的采用CO2制冷机提供冷源,CO2是安全、经济和环保的“自然”制冷剂,制冷能力大,可以减小压缩机尺寸,系统高效紧凑,占地面积小。
(4)本发明的系统中,负压蒸发器稳定运行前,二级预热器最初由外源的初始加热蒸汽提供热源,初始加热蒸汽作为热源输入二级预热器中对冷冻结晶母液进行二级预热,初始加热蒸汽温度降低后产生的高温凝水进入一级预热器对冷冻结晶母液进行一级预热,高温凝水从一级预热器出来后产生冷凝淡水;当负压蒸发器稳定运行起来后,二级预热器的加热热源由负压蒸发器所提供:冷冻结晶母液经二级预热器加热后进入负压蒸发器中被蒸发产生二次蒸汽,二次蒸汽被蒸汽压缩机压缩提温后作为热源循环输入二级预热器中,二次蒸汽从二级预热器出来后温度降低并产生高温凝水,其进入一级预热器对冷冻结晶母液进行一级预热,高温凝水从一级预热器出来后产生冷凝淡水。本发明的系统可对热量进行充分回收利用,并从冷冻结晶母液中回收大量淡水。
(发明人:张信荣;齐春华;刘佳;郑秋云)






