公布日:2023.10.27
申请日:2023.09.21
分类号:C02F1/16(2023.01)I;C02F1/12(2023.01)I;C02F1/00(2023.01)I
摘要
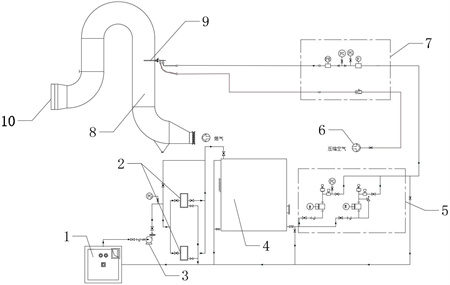
本发明适用于废水处理设备技术领域,提供了一种烟气蒸发废水处理系统,包括:废水预处理模块,其内部设有废水池和废水储罐,废水储罐和废水池之间设有过滤器;废水输送模块,其设置于废水储罐的后端,其内部设有对废水进行输送的废水提升泵,废水输送模块的出口设有喷头;排烟蒸发管,其进口与锅炉的出气口连接;控制喷头的流量的控制模块,其包括对输送模块内部的废水进行PH值检测的PH值传感器和对排烟蒸发管内的温度进行检测的温度传感器,借此,本发明通过检测烟气蒸发系统中的废水的含盐量、温度,根据检测的参数进行废水喷射流量的修正和雾化程度的修订,提高了废水处理的效率,同时减少废水处理时的成本。

权利要求书
1.一种烟气蒸发废水处理系统,其特征在于,包括:废水预处理模块,其内部设有废水池和废水储罐,所述废水储罐和废水池之间设有过滤器;废水输送模块,其设置于所述废水储罐的后端,其内部设有对所述废水进行输送的废水提升泵,所述废水输送模块的出口设有喷头;排烟蒸发管,其进口与锅炉的出气口连接,所述喷头插设于所述排烟蒸发管的内部;控制所述喷头的流量和雾化状态的控制模块,其包括对输送模块内部的废水进行PH值检测的PH值传感器和对所述排烟蒸发管内的温度进行检测的温度传感器;所述温度传感器设置于所述排烟蒸发管靠近喷头的位置,所述温度传感器用于采集排烟蒸发管内温度T1,所述排烟蒸发管的出口的底部设有颗粒出口,所述PH值传感器设置于所述废水输送模块和喷头之间,用于检测废水的PH值H1,所述控制模块通过判断温度T1和废水的PH值H1的变化值,控制所述喷头的喷射量和雾化程度;烟气蒸发废水处理系统还包括压缩空气供给模块,其包括设置于所述压缩空气供给模块出口的雾化口,所述雾化口与所述喷头的位置对应设置,所述雾化口与所述喷头配合对所述喷头的雾化程度进行控制,所述控制模块通过控制喷头的流量和雾化口的流量控制所述废水的供给状态,所述控制模块在控制时,变量的判断优先权从高到低依次为温度T1和废水的PH值H1,所述控制模块包括对废水流量进行控制的废水控制阀和对所述压缩空气压力进行控制的压力控制阀,通过人为操作控制模块设置初始喷射温度值T0、最大喷射温度T2、废水PH值的最小值H0、废水PH值的最大值H2、压缩空气最大压力值P2和最小压力值P0,最大温度差值δT=T2-T1,控制模块检测温度T1,并得到δt=T1-T0,当δT≥δt>0时,控制模块控制喷头和雾化口开始将废水喷入到排烟蒸发管;当δt≤0或者δt>δT时,所述控制模块控制所述喷头和雾化口停止喷射废水;当δT≥δt>0时,喷头和雾化口开始喷射废水和空气,得到修正系数Kt=δt/δT,所述控制模块控制喷水控制阀打开,喷水控制阀的打开开度为Kt,对应废水流量为lt,压力控制阀打开,压力控制阀控制空气压力为Pt=lt/3.16k,此时处于初始雾化状态,其中k为对应喷头的流量系数:所述控制模块收集所述废水的PH值H1,并计算得到δH=H1-H0,通过判断δH的数值变化,控制压缩空气的压力Pt;所述控制模块通过判断δH的数值,控制压缩空气的压力:当δH≤0时,此时的废水中亚硫酸盐的含量最大,压缩空气处于最大压力值Pt=P2状态;当(H2-H0)≥δH>0时,得到空气压力修正系数Kp=δH/(H2-H0),此时的Pt=lt/3.16Kpk,此时当出现Pt≥P2时,取Pt=P2;当Pt≤P0时,取Pt=P0;当δH>(H2-H0)时,此时的废水中亚硫酸盐的含量最小,压缩空气处于最小压力值Pt=P0状态。
2.根据权利要求1所述的烟气蒸发废水处理系统,其特征在于,所述初始喷射温度值T0=120℃,最大喷射温度T2=140℃,所述压缩空气最大压力值P2=0.6MPa,最小压力值P0=0.2MPa。
3.根据权利要求1或2所述的烟气蒸发废水处理系统,其特征在于,所述过滤器具有反冲洗功能,所述过滤器和废水池之间设有废水提升泵,所述废水输送模块设有回水管,所述回水管的出水端与所述废水连通,所述排烟蒸发管的出气口连接有收集布袋。
发明内容
针对上述的缺陷,本发明的目的在于提供一种烟气蒸发废水处理系统,其可以通过检测烟气蒸发系统中的废水的含盐量和温度,根据检测的参数进行废水喷射流量的修正和雾化程度的修订,提高了废水处理的效率,同时减少废水处理时的成本。
为了实现上述目的,本发明提供一种烟气蒸发废水处理系统,包括:废水预处理模块,其内部设有废水池和废水储罐,所述废水储罐和废水池之间设有过滤器;废水输送模块,其设置于所述废水储罐的后端,其内部设有对所述废水进行输送的废水提升泵,所述废水输送模块的出口设有喷头;排烟蒸发管,其进口与锅炉的出气口连接,所述喷头插设于所述排烟蒸发管的内部;控制所述喷头的流量和雾化状态的控制模块,其包括对输送模块内部的废水进行PH值检测的PH值传感器和对所述排烟蒸发管内的温度进行检测的温度传感器。
根据本发明的烟气蒸发废水处理系统,所述温度传感器设置于所述排烟蒸发管靠近喷头的位置,所述温度传感器用于采集排烟蒸发管内温度T1,所述排烟蒸发管的出口的底部设有颗粒出口,所述PH值传感器设置于所述废水输送模块和喷头之间,用于检测废水的PH值H1,所述控制模块通过判断温度T1和废水的PH值H1的变化值,控制所述喷头的喷射量和雾化程度。
根据本发明的烟气蒸发废水处理系统,还包括压缩空气供给模块,其包括设置于所述压缩空气供给模块出口的雾化口,所述雾化口与所述喷头的位置对应设置,所述雾化口与所述喷头配合对所述喷头的雾化程度进行控制,所述控制模块通过控制喷头的流量和雾化口的流量控制所述废水的供给状态。
根据本发明的烟气蒸发废水处理系统,所述控制模块在控制时,变量的判断优先权从高到低依次为温度T1和废水的PH值H1,所述控制模块包括对废水流量进行控制的废水控制阀和对所述压缩空气压力进行控制的压力控制阀。
根据本发明的烟气蒸发废水处理系统,通过人为操作控制模块设置初始喷射温度值T0、最大喷射温度T2、废水PH值的最小值H0、废水PH值的最大值H2、压缩空气最大压力值P2和最小压力值P0,最大温度差值δT=T2-T1,控制模块检测温度T1,并得到δt=T1-T0,当δT≥δt>0时,控制模块控制喷头和雾化口开始将废水喷入到排烟蒸发管;当δt≤0或者δt>δT时,所述控制模块控制所述喷头和雾化口停止喷射废水。
根据本发明的烟气蒸发废水处理系统,当δT≥δt>0时,喷头和雾化口开始喷射废水和空气,得到修正系数Kt=δt/δT,所述控制模块控制喷水控制阀打开,喷水控制阀的打开开度为Kt,对应废水流量为lt,压力控制阀打开,压力控制阀控制空气压力为Pt=lt/3.16k,此时处于初始雾化状态,其中k为对应喷头的流量系数:
所述控制模块收集所述废水的PH值H1,并计算得到δH=H1-H0,通过判断δH的数值变化,控制压缩空气的压力Pt。
根据本发明的烟气蒸发废水处理系统,所述控制模块通过判断δH的数值,控制压缩空气的压力:
当δH≤0时,此时的废水中亚硫酸盐的含量最大,压缩空气处于最大压力值Pt=P2状态;当(H2-H0)≥δH>0时,得到空气压力修正系数Kp=δH/(H2-H0),此时的Pt=lt/3.16Kpk,此时当出现Pt≥P2时,取Pt=P2;当Pt≤P0时,取Pt=P0;当δH>(H2-H0)时,此时的废水中亚硫酸盐的含量最小,压缩空气处于最小压力值Pt=P0状态。
根据本发明的烟气蒸发废水处理系统,所述初始喷射温度值T0=120℃,最大喷射温度T2=140℃,所述压缩空气最大压力值P2=0.6MPa,最小压力值P0=0.2MPa。
根据本发明的烟气蒸发废水处理系统,所述过滤器具有反冲洗功能,所述过滤器和废水池之间设有废水提升泵,所述废水输送模块设有回水管,所述回水管的出水端与所述废水连通,所述排烟蒸发管的出气口连接有收集布袋。
本发明提供了一种烟气蒸发废水处理系统,包括:废水预处理模块,其内部设有废水池和废水储罐,所述废水储罐和废水池之间设有过滤器,通过过滤器对废水池内部的废水进行初步的过滤,防止进入到废水储罐内部的废水携带固体残渣,保证后续对废水进行喷射雾化,防止固体残渣对喷头造成堵塞;废水输送模块,其设置于所述废水储罐的后端,其内部设有对所述废水进行输送的废水提升泵,保证将废水从废水池内提升到废水储罐的内部,所述废水输送模块的出口设有喷头,通过喷头对废水进行喷射雾化,保证废水在进入到排烟蒸发管的内部后,经过排烟的余温对废水进行蒸发结晶,然后结晶后的颗粒经过排烟蒸发管出口排出;排烟蒸发管,其进口与锅炉的出气口连接,所述喷头插设于所述排烟蒸发管的内部,保证废水雾化喷射到排烟蒸发管的内部;控制所述喷头的流量和雾化状态的控制模块,其包括对输送模块内部的废水进行PH值检测的PH值传感器和对所述排烟蒸发管内的温度进行检测的温度传感器,通过检测排烟蒸发管的内部的温度和废水的PH值对喷水的流量和雾化程度进行控制,防止出现在锅炉负荷较低时或者反应器进口温度较低时,废水蒸发不足造成烟气含水量过大,同时防止温度过高,导致废水蒸发较快,结晶体聚集到一起,无法从排烟管的出口排出,综上,本发明产生的技术效果是通过检测烟气蒸发系统中的废水的含盐量、温度,根据检测的参数进行废水喷射流量的修正和雾化程度的修订,提高了废水处理的效率,同时减少废水处理时的成本。
(发明人:牟彩秀;刘军伟;夏顺堂;谭雯;王静)






