公布日:2023.10.24
申请日:2023.08.07
分类号:C02F1/72(2023.01)I;C02F1/74(2023.01)I;C02F101/30(2006.01)N
摘要
本发明公开了一种外循环湿式催化氧化废水处理工艺,本发明涉及环保相关领域,包括碱计量罐、酸计量罐、废水调节釜、增压泵、循环泵、换热器、氧化反应器、蒸汽发生器、氧化分离罐、空冷器、气液分离罐、氧化液冷却器和空压或氧压机组,氧化反应器、换热器、循环泵等核心设备组成外循环式氧化反应器,所述外循环式氧化反应器是一个独立的循环系统,通过结合外循环式氧化反应器的新型湿式催化氧化工艺的进水COD范围为50000~400000mg/L,弥补了高浓度有机废水处理的空白,新型外循环式湿式催化氧化工艺采用废水直接进氧化反应器的方式,避免了废水经过换热器换热时,结炭或者结焦的情况,确保工艺装置能够稳定运行。

权利要求书
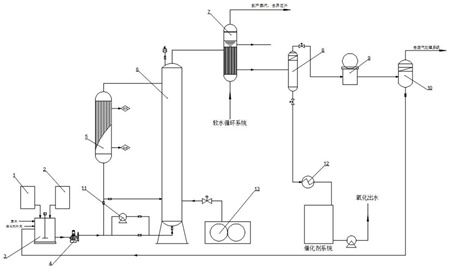
1.一种外循环湿式催化氧化废水处理工艺,包括碱计量罐(1)、酸计量罐(2)、废水调节釜(3)、增压泵(4)、换热器(5)、氧化反应器(6)、蒸汽发生器(7)、氧化分离罐(8)、空冷器(9)、气液分离罐(10)、循环泵(11)、氧化液冷却器(12)和空压或氧压机组(13),其特征在于:工艺包括以下步骤:步骤一:将废水通入到废水调节釜(3)中,通过碱计量罐(1)和酸计量罐(2)中的酸液或是碱液配合催化剂对废水进行调节,进而混合均匀;步骤二:废水调节釜(3)中的自来水/工艺水通过增压泵(4)泵入氧化反应器(6)中,氧化反应器(6)中的自来水/工艺水经过循环泵(11)和换热器(5)循环加热,从而达到起始反应温度,反应温度≥150℃,然后使得适量的空气/氧气通过空压或氧压机组(13)进入氧化反应器(6)中;步骤三:反应后的废水从氧化反应器(6)顶部出水,10~75%的出水循环回氧化反应器(6)底部和进水混合后再进氧化反应器(6);步骤四:经过步骤三反应后的废水从氧化反应器(6)顶部出水,25~90%的出水经过蒸汽发生器(7)回收热能和氧化分离罐(8)气液分离后,水相经减压阀减压,常压的氧化出水经氧化液冷却器(12)降温到80℃以下,气相经过经减压阀减压、空冷器(9)冷却降温后,再经过气液分离罐(10)实现废气和冷凝水的分离,分离出来的废气进入废气处理系统,分离出来的冷凝水作为出水直接进入下一个废水处理系统,或者回原水罐;步骤五:将常压、80℃以下的氧化出水通入催化剂回收系统回收催化剂,出水进入下一个废水处理单元;工艺废气进入废气处理系统。
2.根据权利要求1所述的一种外循环湿式催化氧化废水处理工艺,其特征在于:步骤二中废水中的有机物/还原性无机物和空气/氧气在反应器中发生氧化反应,有机污染物被氧化成易生化的小分子物质或矿化成无害的无机物如CO2、H2O和无机盐等,相比传统湿式催化氧化工艺,废水直接进氧化反应器的方式避免了废水中有机物在换热时结炭或者结焦的情况。
3.根据权利要求1所述的一种外循环湿式催化氧化废水处理工艺,其特征在于:步骤三中氧化出水循环回氧化反应器底部的比例取决于废水COD浓度,COD浓度越高,回流比例越大,而氧化反应器顶部出水回流和进水混合,预热常温进水,确保废水进入氧化塔后快速达到反应温度,提高反应效率;废水COD在100000~400000mg/L时,回流的氧化反应器顶部出水起到稀释进水有机物浓度的作用,从而避免有机物浓度过高,氧化放热加剧,进而引发安全问题;回流的氧化反应器顶部出水再经过氧化反应器底部高浓度空气/氧气氧化,提高了工艺的氧化效果。
4.根据权利要求1所述的一种外循环湿式催化氧化废水处理工艺,其特征在于:步骤四中当废水COD≥50000mg/L时,氧化反应热除了确保系统自热平衡外,还有富余热量副产蒸汽;废水COD浓度越高,副产的蒸汽量越大;本工艺氧化出水回收热能后,直接在氧化分离罐中闪蒸实现减温减压,减少了高压设备的投资;气相减压后,用空冷器冷却,减少了系统循环水的用量,节约了运行成本。
5.根据权利要求1所述的一种外循环湿式催化氧化废水处理工艺,其特征在于:氧化反应器、换热器、循环泵等核心设备组成外循环式氧化反应器,所述外循环式氧化反应器是一个独立的循环系统,通过调节循环量适应不同COD浓度的废水处理,进水COD低时,循环回的氧化反应器顶部出水可以预热进水,确保温度达到起始反应温度;进水COD高时,循环回的氧化反应器顶部出水可以起到稀释进水的作用,避免氧化反应局部过热或者飞温等安全问题。
6.根据权利要求5所述的一种外循环湿式催化氧化废水处理工艺,其特征在于:氧化反应器内部空气/氧气的浓度从下到上是逐渐降低了,氧化反应器上段有机物浓度和空气/氧气浓度都低,氧化反应的传质效果下降,进而影响反应效果;回流的氧化反应器顶部出水再经过氧化反应器底部高浓度空气/氧气氧化,可稳固甚至提高工艺的氧化效果。
7.根据权利要求5所述的一种外循环湿式催化氧化废水处理工艺,其特征在于:所述外循环式氧化反应器中的换热器和循环泵是确保工艺开车的必要配套,湿式催化氧化工艺开车是用自来水/工艺水经过换热器和热媒,比如导热油、蒸汽、熔融盐等,循环换热升温,直至设定的起始反应温度。
8.根据权利要求5所述的一种外循环湿式催化氧化废水处理工艺,其特征在于:工艺正常运行时,换热器不再起加热作用,可以根据氧化反应的放热情况和系统温升情况,反过来加热热媒,比如导热油、蒸汽、熔融盐等,回收热能;加热后的热媒可以用作副产蒸汽或其它加热工艺。
发明内容
本发明的目的在于提供一种外循环湿式催化氧化废水处理工艺,以解决上述背景技术中提出的问题。
为实现上述目的,本发明提供如下技术方案:一种外循环湿式催化氧化废水处理工艺,包括碱计量罐、酸计量罐、废水调节釜、增压泵、换热器、氧化反应器、蒸汽发生器、氧化分离罐、空冷器、气液分离罐、氧化液冷却器和空压或氧压机组;
工艺包括以下步骤:
步骤一:将废水通入到废水调节釜中,通过碱计量罐和酸计量罐中的酸液或是碱液配合催化剂对废水进行调节,进而混合均匀;
步骤二:废水调节釜中的自来水/工艺水通过增压泵泵入氧化反应器中,氧化反应器中的自来水/工艺水经过循环泵和换热器循环加热,从而达到起始反应温度,反应温度≥150℃,然后使得适量的空气/氧气通过空压或氧压机组进入氧化反应器中;
步骤三:反应后的废水从氧化反应器顶部出水,10~75%的出水循环回氧化反应器底部和进水混合后再进氧化反应器;
步骤四:经过步骤三反应后的废水从氧化反应器顶部出水,25~90%的出水经过蒸汽发生器回收热能和氧化分离罐气液分离后,水相经减压阀减压,常压的氧化出水经氧化液冷却器降温到80℃以下,气相经过经减压阀减压、空冷器冷却降温后,再经过气液分离罐实现废气和冷凝水的分离,分离出来的废气进入废气处理系统,分离出来的冷凝水作为出水直接进入下一个废水处理系统,或者回原水罐;
步骤五:将常压、80℃以下的氧化出水通入催化剂回收系统回收催化剂,出水进入下一个废水处理单元;工艺废气进入废气处理系统。
作为优选,步骤二中废水中的有机物/还原性无机物和空气/氧气在反应器中发生氧化反应,有机污染物被氧化成易生化的小分子物质或矿化成无害的无机物如CO2、H2O和无机盐等,相比传统湿式催化氧化工艺,废水直接进氧化反应器的方式避免了废水中有机物在换热时结炭或者结焦的情况。
作为优选,步骤三中氧化出水循环回氧化反应器底部的比例取决于废水COD浓度,COD浓度越高,回流比例越大,而氧化反应器顶部出水回流和进水混合,预热常温进水,确保废水进入氧化塔后快速达到反应温度,提高反应效率;废水COD在100000~400000mg/L时,回流的氧化反应器顶部出水同时起到稀释进水有机物浓度的作用,从而避免有机物浓度过高,氧化放热加剧,进而引发安全问题;回流的氧化反应器顶部出水再经过氧化反应器底部高浓度空气/氧气氧化,提高了工艺的氧化效果。
作为优选,步骤四中当废水COD≥50000mg/L时,氧化反应热除了确保系统自热平衡外,还有富余热量副产蒸汽;废水COD浓度越高,副产的蒸汽量越大;本工艺氧化出水回收热能后,直接在氧化分离罐中闪蒸实现减温减压,减少了高压设备的投资;气相减压后,用空冷器冷却,减少了系统循环水的用量,节约了运行成本。
作为优选,氧化反应器、换热器、循环泵等核心设备组成外循环式氧化反应器,所述外循环式氧化反应器是一个独立的循环系统,通过调节循环量适应不同COD浓度的废水处理,进水COD低时,循环回的氧化反应器顶部出水可以预热进水,确保温度达到起始反应温度;进水COD高时,循环回的氧化反应器顶部出水可以起到稀释进水的作用,避免氧化反应局部过热或者飞温等安全问题。
作为优选,氧化反应器内部空气/氧气的浓度从下到上是逐渐降低了,氧化反应器上段有机物浓度和空气/氧气浓度都低,氧化反应的传质效果下降,进而影响反应效果;回流的氧化反应器顶部出水再经过氧化反应器底部高浓度空气/氧气氧化,可稳固甚至提高工艺的氧化效果。
作为优选,所述外循环式氧化反应器中的换热器和循环泵是确保工艺开车的必要配套,湿式催化氧化工艺开车是用自来水/工艺水经过换热器和热媒(比如导热油、蒸汽、熔融盐等)循环换热升温,直至设定的起始反应温度。
作为优选,工艺正常运行时,换热器不再起加热作用,可以根据氧化反应的放热情况和系统温升情况,反过来加热热媒,回收热能;加热后的热媒可以用作副产蒸汽或其它加热工艺。
综上所述,本发明有益效果是:
1、本发明通过结合外循环式氧化反应器的新型湿式催化氧化工艺的进水COD范围为50000~400000mg/L,弥补了高浓度有机废水处理的空白。
2、本发明通过新型外循环式湿式催化氧化工艺采用废水直接进氧化反应器的方式,避免了废水经过换热器换热时,结炭或者结焦的情况,确保工艺装置能够稳定运行。
3、本发明通过新型湿式催化氧化工艺中氧化塔塔顶出水以闪蒸的方式直接减温减压;减温减压后,水相通过常压的板式换热器即可降至常温,气相则通过常压的空气冷却器进一步降温后,在气液分离器中实现冷凝液和不凝汽的分离,减温减压后配套的设备均为常压设备,而常规湿式催化氧化工艺塔顶出水后续配套的多级换热器和冷却器都属于高压钛合金或者锆合金设备,设备费用远高于常压设备。
4、本发明通过新型外循环式湿式催化氧化工艺均配套副产蒸汽系统,有机物的氧化热除了维持系统的热平衡外,还能副产蒸汽。
(发明人:陈永彪;黄国龙;楼弈涛;李旭辉)






