公布日:2023.10.24
申请日:2023.08.09
分类号:G01N1/14(2006.01)I;G01N1/34(2006.01)I
摘要
本发明提供一种用于高盐工业废水的在线过滤循环取样装置及其工作方法,具有流通池组件、取样组件、取样泵以及输出泵,具有一级滤头的取样组件位于取样池内,取样组件通过取样泵与流通池组件的原液入口相连通,流通池组件的检测出口设有二级滤头并且与能够正反运行的输出泵相连通,流通池组件还设有废液出口。本发明可以根据程序设定时间24小时自动取样;二级自动过滤及滤头自动再生,无需人工更换滤头,通过二级过滤针对性的除去颗粒物的同时解决堵塞,通过滤头反冲再生,解决颗粒物富集污染物问题,使分析结果更加准确稳定可靠;冲击式在线过滤设计,避免了颗粒物吸附在滤头的可能性,促进液体和颗粒物分离、固液分流。

权利要求书
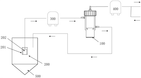
1.一种用于高盐工业废水的在线过滤循环取样装置,其特征在于,具有流通池组件、取样组件、取样泵以及输出泵,具有一级滤头的取样组件位于取样池内,取样组件通过取样泵与流通池组件的原液入口相连通,流通池组件的检测出口设有二级滤头并且与能够正反运行的输出泵相连通,流通池组件还设有废液出口。
2.根据权利要求1所述的用于高盐工业废水的在线过滤循环取样装置,其特征在于,所述废液出口连通至所述取样池。
3.根据权利要求1所述的用于高盐工业废水的在线过滤循环取样装置,其特征在于,所述流通池组件以本体与上盖组成工作空间,上盖上设有所述检测出口,本体的侧面设有所述原液入口,本体的底部设有所述废液出口。
4.根据权利要求3所述的用于高盐工业废水的在线过滤循环取样装置,其特征在于,所述原液入口、废液出口以及检测出口分别以管接头的形式与所述工作空间相连通。
5.根据权利要求4所述的用于高盐工业废水的在线过滤循环取样装置,其特征在于,所述二级滤头安装在所述检测出口的腔内侧位置,将所述原液入口以及所述废液出口隔断于所述检测出口。
6.根据权利要求5所述的用于高盐工业废水的在线过滤循环取样装置,其特征在于,所述上盖与本体之间设有第一密封圈,检测出口与上盖之间设有第二密封圈。
7.根据权利要求1所述的用于高盐工业废水的在线过滤循环取样装置,其特征在于,所述二级滤头是微孔特氟龙过滤网。
8.一种用于高盐工业废水的在线过滤循环取样装置的工作方法,具有如权利要求1-7中任一项所述的用于高盐工业废水的在线过滤循环取样装置,其特征在于:进液过程中,取样泵输出的经一级滤头的一级过滤后的原液由原液入口进入流通池组件,一部分原液在输出泵的抽取作用下,经二级滤头的过滤由检测出口抽出以进行后续检测工作,另一部分原液由废液出口排出;清洗流程中,取样泵停止工作,输出泵反向工作,将清洗剂从检测出口泵入流通池组件内,对所述二级滤头进行清洗,清洗后的液体由废液出口排出。
发明内容
为此,本发明的目的是提供一种用于高盐工业废水的在线过滤循环取样装置,解决现有技术中存在的上述技术问题。
本发明采用的技术方案如下:
一种用于高盐工业废水的在线过滤循环取样装置,其特征在于,具有流通池组件、取样组件、取样泵以及输出泵,具有一级滤头的取样组件位于取样池内,取样组件通过取样泵与流通池组件的原液入口相连通,流通池组件的检测出口设有二级滤头并且与能够正反运行的输出泵相连通,流通池组件还设有废液出口。
所述的用于高盐工业废水的在线过滤循环取样装置,其中,所述废液出口连通至所述取样池。
所述的用于高盐工业废水的在线过滤循环取样装置,其中,所述流通池组件以本体与上盖组成工作空间,上盖上设有所述检测出口,本体的侧面设有所述原液入口,本体的底部设有所述废液出口。
所述的用于高盐工业废水的在线过滤循环取样装置,其中,所述原液入口、废液出口以及检测出口分别以管接头的形式与所述工作空间相连通。
所述的用于高盐工业废水的在线过滤循环取样装置,其中,所述二级滤头安装在所述检测出口的腔内侧位置,将所述原液入口以及所述废液出口隔断于所述检测出口。
所述的用于高盐工业废水的在线过滤循环取样装置,其中,所述上盖与本体之间设有第一密封圈,检测出口与上盖之间设有第二密封圈。
所述的用于高盐工业废水的在线过滤循环取样装置,其中,所述二级滤头是微孔特氟龙过滤网。
一种用于高盐工业废水的在线过滤循环取样装置的工作方法,具有所述的用于高盐工业废水的在线过滤循环取样装置,其特征在于:
进液过程中,取样泵输出的经一级滤头的一级过滤后的原液由原液入口进入流通池组件,一部分原液在输出泵的抽取作用下,经二级滤头的过滤由检测出口抽出以进行后续检测工作,另一部分原液由废液出口排出;
清洗流程中,取样泵停止工作,输出泵反向工作,将清洗剂从检测出口泵入流通池组件内,对所述二级滤头进行清洗,清洗后的液体由废液出口排出。
本发明使用时,所述取样组件吸取原液并且通过以及滤头进行一级过滤,防止漂浮物堵塞管路;所述流通池组件,原液进入流通池进行二级过滤,防止悬浮物堵塞管路;过滤后废液流回取样池;微孔特氟龙可再生材料滤头通过清洗剂自动清洗,实现滤头自动再生。
相比于以往的高盐工业废水的在线过滤循环取样装置,本发明的优点如下:
(1)本发明一种用于高盐工业废水的在线过滤循环取样装置,实现循环自动取样,可以根据程序设定时间24小时自动取样。
(2)本发明一种用于高盐工业废水的在线过滤循环取样装置,二级自动过滤及滤头自动再生,无需人工更换滤头,通过二级过滤针对性的除去颗粒物的同时解决堵塞,通过滤头反冲再生,解决颗粒物富集污染物问题,使分析结果更加准确稳定可靠。
(3)本发明的冲击式在线过滤设计,避免了颗粒物吸附在滤头的可能性,促进液体和颗粒物分离、固液分流。
(发明人:蒋雪梅;王俊伟;史箴;曹阳;靳皓琛;张璐涛;谢新刚;李鑫;高占岭;李宁;丁良诚;胡克)






