公布日:2023.10.20
申请日:2023.08.23
分类号:C02F1/461(2023.01)I;C02F103/18(2006.01)N
摘要
本公开提供了一种脱硫废水处理系统,包括电解水箱、氢氯燃料电池及第一电源,电解水箱内设置有相对应的第一阴极板与第一阳极板,电解水箱上设置有第一入口、第一出口、第二出口、第三出口及第二入口,第三出口与氢氯燃料电池阳极侧的燃料入口连通,第二出口与氢氯燃料电池阴极侧的气体入口连通,脱硫废水从第一入口进入电解水箱内,电解后的脱硫废水从第一出口排出到脱硫系统,氢氯燃料电池的阳极侧设置有与第二入口连通的第四出口,同时提供了一种脱硫废水处理工艺。本公开结构简单,占地面积小,处理工艺简单,易于建设实施,建设投资小、成本低,能耗低,副产物附加值高,安全性和可靠性高,可适用于多种含盐废水的处理领域。

权利要求书
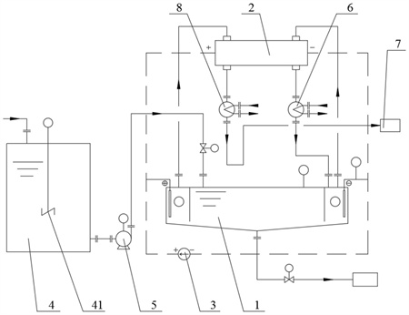
1.脱硫废水处理系统,其特征在于,包括电解水箱(1)、氢氯燃料电池(2)及第一电源(3),所述电解水箱(1)内设置有相对应的第一阴极板(11)与第一阳极板(12),所述电解水箱(1)上设置有第一入口(13)、第一出口(14)、第二出口(15)、第三出口(16)及第二入口(17),所述第一电源(3)和所述氢氯燃料电池(2)均与所述第一阴极板(11)和所述第一阳极板(12)电连接,所述第二出口(15)与所述第一阳极板(12)相对应,所述第三出口(16)和所述第二入口(17)分别与所述第一阴极板(11)相对应,所述第三出口(16)与所述氢氯燃料电池(2)阳极侧的燃料入口连通,所述第二出口(15)与所述氢氯燃料电池(2)阴极侧的气体入口连通,脱硫废水从所述第一入口(13)进入所述电解水箱(1)内,电解后的脱硫废水从所述第一出口(14)排出到脱硫系统,所述氢氯燃料电池(2)的阳极侧设置有与所述第二入口(17)连通的第四出口(21),所述氢氯燃料电池(2)的阴极侧设置有第五出口(22)。
2.根据权利要求1所述的脱硫废水处理系统,其特征在于,还包括第一缓冲箱(4)及第一进料泵(5),所述第一缓冲箱(4)内设置有第一搅拌器(41),所述第一进料泵(5)分别与所述第一缓冲箱(4)的出口和所述第一入口(13)连接,所述第一进料泵(5)能够将所述第一缓冲箱(4)内的脱硫废水输送至所述电解水箱(1)中。
3.根据权利要求2所述的脱硫废水处理系统,其特征在于,所述第一入口(13)处设置有进料控制阀(101),所述第一出口(14)处设置有出料控制阀(102),所述出料控制阀(102)通过管路与脱硫系统连接。
4.根据权利要求1所述的脱硫废水处理系统,其特征在于,所述电解水箱(1)上设置有第一液位计(103),所述第一电源(3)连接有电流检测仪(104)。
5.根据权利要求1所述的脱硫废水处理系统,其特征在于,所述第二入口(17)与所述第四出口(21)之间的连接管路上设置有第一冷却器(6)。
6.根据权利要求1所述的脱硫废水处理系统,其特征在于,所述第五出口(22)通过管路第一储存罐(7)连通,所述第五出口(22)与所述第一储存罐(7)之间的连接管路上设置有第二冷却器(8),所述第二冷却器(8)的出口处设置有第一液封管(81)。
7.根据权利要求1所述的脱硫废水处理系统,其特征在于,所述第一入口(13)、所述第二出口(15)、所述第三出口(16)和所述第二入口(17)均位于所述电解水箱(1)的顶部,所述第一出口(14)位于所述电解水箱(1)的底部,所述电解水箱(1)的内底面朝所述第一出口(14)的位置向下倾斜。
8.根据权利要求1所述的脱硫废水处理系统,其特征在于,所述电解水箱(1)内设置有两个第一隔板(18),每个所述第一隔板(18)的顶部与所述电解水箱(1)连接,脱硫废水能够从所述第一隔板(18)的底部与所述电解水箱(1)的内底面之间流通,两个所述第一隔板(18)位于所述第一阴极板(11)与所述第一阳极板(12)之间,两个所述第一隔板(18)将所述电解水箱(1)的内部依次分隔为阳极电解区、中间过渡区和阴极电解区,所述第一阴极板(11)的底部和所述第一阳极板(12)的底部均高于所述第一隔板(18)的底部。
9.根据权利要求1中8任一权利要求所述的脱硫废水处理系统,其特征在于,两个以上所述电解水箱(1)并联或者串联。
10.脱硫废水处理工艺,其特征在于,应用权利要求1至9中任一权利要求所述的脱硫废水处理系统,包括以下步骤:待处理的脱硫废水从电解水箱的第一入口进入,第一电源为电解水箱内的第一阴极板与第一阳极板的供电,脱硫废水在电解水箱内进行电解反应;脱硫废水中的氢离子在第一阴极板处被电解生成氢气,并从电解水箱的第三出口排出到氢氯燃料电池,脱硫废水中的金属阳离子在第一阴极板处被电解生成碱性物质的沉淀,脱硫废水中的氯离子及少量氢氧根离子在第一阳极板处被电解生成氯气和少量氧气,并从电解水箱的第二出口排出到氢氯燃料电池;第三出口排出氢气从氢氯燃料电池的燃料入口进入氢氯燃料电池的阳极,第二出口排出的氯气和少量氧气从氢氯燃料电池的气体入口进入氢氯燃料电池的阴极,氯气和少量氧气在氢氯燃料电池的阴极电化学反应生成HCl和H2O,并产生电能;氢氯燃料电池阳极的氢气从第四出口排出,第四出口排出的氢气再从电解水箱的第二入口进入第一阴极板处,氢氯燃料电池产生的HCl和H2O从第五出口排出收集,氢氯燃料电池产生的电能能够补充一部分电解水箱电解反应所消耗的电量;电解水箱内电解后的脱硫废水从第一出口排出到脱硫系统循环利用。
发明内容
本公开的目的是提出一种脱硫废水处理系统及处理工艺,可以解决上述技术问题中的至少一个,本公开的技术方案如下:
脱硫废水处理系统,包括电解水箱、氢氯燃料电池及第一电源,电解水箱内设置有相对应的第一阴极板与第一阳极板,电解水箱上设置有第一入口、第一出口、第二出口、第三出口及第二入口,第一电源和氢氯燃料电池均与第一阴极板和第一阳极板电连接,第二出口与第一阳极板相对应,第三出口和第二入口分别与第一阴极板相对应,第三出口与氢氯燃料电池阳极侧的燃料入口连通,第二出口与氢氯燃料电池阴极侧的气体入口连通,脱硫废水从第一入口进入电解水箱内,电解后的脱硫废水从第一出口排出到脱硫系统,氢氯燃料电池的阳极侧设置有与第二入口连通的第四出口,氢氯燃料电池的阴极侧设置有第五出口。
在一些实施方式中,还包括第一缓冲箱及第一进料泵,第一缓冲箱内设置有第一搅拌器,第一进料泵分别与第一缓冲箱的出口和第一入口连接,第一进料泵能够将第一缓冲箱内的脱硫废水输送至电解水箱中。
在一些实施方式中,第一入口处设置有进料控制阀,第一出口处设置有出料控制阀,出料控制阀通过管路与脱硫系统连接。
在一些实施方式中,电解水箱上设置有第一液位计,第一电源连接有电流检测仪。
在一些实施方式中,第二入口与第四出口之间的连接管路上设置有第一冷却器。
在一些实施方式中,第五出口通过管路第一储存罐连通,第五出口与第一储存罐之间的连接管路上设置有第二冷却器,第二冷却器的出口处设置有第一液封管。
在一些实施方式中,第一入口、第二出口、第三出口和第二入口均位于电解水箱的顶部,第一出口位于电解水箱的底部,电解水箱的内底面朝第一出口的位置向下倾斜。
在一些实施方式中,电解水箱内设置有两个第一隔板,每个第一隔板的顶部与电解水箱连接,脱硫废水能够从第一隔板的底部与电解水箱的内底面之间流通,两个第一隔板位于第一阴极板与第一阳极板之间,两个第一隔板将电解水箱的内部依次分隔为阳极电解区、中间过渡区和阴极电解区,第一阴极板的底部和第一阳极板的底部均高于第一隔板的底部。
在一些实施方式中,两个以上电解水箱并联或者串联。
在一些实施方式中,也可以将电解水箱电解所产生的氢气与氯气进行燃烧反应生成副产物HCl。
在一些实施方式中,也可以将电解水箱电解所产生氢气与氯气直接作为副产物进行收集。
脱硫废水处理工艺,应用上述脱硫废水处理系统,包括以下步骤:
待处理的脱硫废水从电解水箱的第一入口进入,第一电源为电解水箱内的第一阴极板与第一阳极板的供电,脱硫废水在电解水箱内进行电解反应;
脱硫废水中的氢离子在第一阴极板处被电解生成氢气,并从电解水箱的第三出口排出到氢氯燃料电池,脱硫废水中的金属阳离子在第一阴极板处被电解生成碱性物质的沉淀,脱硫废水中的氯离子及少量氢氧根离子在第一阳极板处被电解生成氯气和少量氧气,并从电解水箱的第二出口排出到氢氯燃料电池;
第三出口排出氢气从氢氯燃料电池的燃料入口进入氢氯燃料电池的阳极,第二出口排出的氯气和少量氧气从氢氯燃料电池的气体入口进入氢氯燃料电池的阴极,氯气和少量氧气在氢氯燃料电池的阴极电化学反应生成HCl和H2O,并产生电能;
氢氯燃料电池阳极的氢气从第四出口排出,第四出口排出的氢气再从电解水箱的第二入口进入第一阴极板处,氢氯燃料电池产生的HCl和H2O从第五出口排出收集,氢氯燃料电池产生的电能能够补充一部分电解水箱电解反应所消耗的电量;
电解水箱内电解后的脱硫废水从第一出口排出到脱硫系统循环利用。
另外,在本公开技术方案中,凡未作特别说明的,均可通过采用本领域中的常规手段来实现本技术方案。
(发明人:桑立强)






