申请日2016.04.28
公开(公告)日2016.07.20
IPC分类号C02F9/14; C02F11/12
摘要
一种养猪场废水处理装置,所述养猪场废水处理装置包括UASB反应器、初沉池、缓冲池、调节池、水解池、曝气池、二沉池、絮凝池、沉淀池、消毒池、污泥凝缩池和设备房,本发明采用预处理、高效接触氧化、化学絮凝和消毒的处理工艺,去除了废水中的COD、BOD及氨氮等有害物质,消毒处理可以将超标大肠杆菌处理到无害化后进行达标出水排放,有利于提高地区地表水环境质量,有利于保障周围居民的身心健康,对改善周围居民的工作、生活环境都会产生明显的效益。
权利要求书
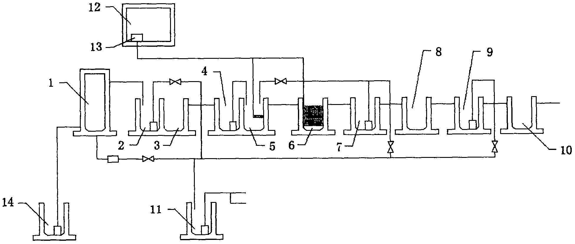
1.一种养猪场废水处理装置,其特征在于,所述养猪场废水处理装置包括UASB反应器(1)、初沉池(2)、缓冲池(3)、调节池(4)、水解池(5)、曝气池(6)、二沉池(7)、絮凝池(8)、沉淀池(9)、消毒池(10)、污泥凝缩池(11)和设备房(12)。
2.根据权利要求1所述的一种养猪场废水处理装置,其特征在于,UASB反应器(1)下端通过管道与养猪场废水集水井(14)连通,且UASB反应器(1)还通过管道分别与初沉池(2)和污泥凝缩池(11)接通,初沉池(2)与缓冲池(3)为一体结构,且相通,初沉池(2)通过管道与污泥凝缩池(11)接通,缓冲池(3)通过管道与调节池(4)接通,调节池(4)通过管道与水解池(5)接通,水解池(5)通过管道分别与曝气池(6)和污泥凝缩池(11)接通,曝气池(6)通过管道与二沉池(7)接通,二沉池(7)通过管道分别与絮凝池(8)和污泥凝缩池(11)接通,絮凝池(8)通过管道与沉淀池(9)接通,沉淀池(9)通过管道分别与消毒池(10)和污泥凝缩池(11)接通。
3.根据权利要求2所述的一种养猪场废水处理装置,其特征在于,所述消毒池(10)和污泥凝缩池(11)还接有排放管,消毒池(10)接有的排放管的数量为一个,污泥凝缩池(11)接有的排放管的数量为两个。
4.根据权利要求1所述的一种养猪场废水处理装置,其特征在于,所述设备房(12)内设有罗茨鼓风机,罗茨鼓风机通过管道分别与水解池(5)和曝气池(6)接通。
5.一种养猪场废水处理方法,其特征在于,所述养猪场废水处理方法包括以下步骤:
a、将集水井(14)内废水抽入UASB反应器(1)中,实用厌氧方式将废水的COD处理在1500mg/L以下,处理后的废水中的污水会流入初沉池(2)中,废水中的污泥流入污泥凝缩池(11)内;
b、往初沉池(2)内加入PAM或PAC,在初沉池(2)内除去废水中的可沉物和漂浮物,废水中的污水流入缓冲池(3),然后从缓冲池(3)流入调节池(4),废水中的污泥流入污泥凝缩池(11)内;
c、在调节池(4)内调节水质以及水量,然后废水流入水解池(5);
d、在水解池(5)中利用厌氧菌对大分子化合物的分解作用,将废水水中较难被兼性微生物和好氧微生物分解的大分子化合物分解为小分子化合物,非溶解态的有机物被截流逐步转化为溶解态的有机物,然后废水中的污水流入曝气池(6),废水中的污泥流入污泥凝缩池(11)内;
e、在曝气池(6)内降低废水生化需氧量BOD和氨氮,然后废水流入二沉池(7)内;
f、在二沉池(7)内加入PAM或PAC,除去废水中的可沉物和漂浮物,废水中的污水流入絮凝池(8)内,废水中的污泥流入污泥凝缩池(11)内;
g、在絮凝池(8)内加入PAM或PAC,并进行搅拌,然后废水中的上清液流入沉淀池(9),然后流入消毒池(10);
h、沉淀池(9)内的废水中的污水流入消毒池(10),废水中的污泥流入污泥凝缩池(11)内;
i、在消毒池(10)内设有臭氧发生器,利用臭氧发生器进行消毒,然后达标排放;
j、污泥凝缩池(11)内污泥可送到干化床上进行自然渗滤,还可叠螺脱水机进行脱泥。
说明书
一种养猪场废水处理装置及其处理方法
技术领域
本发明涉及一种废水处理装置,尤其是一种养猪场废水处理装置及其处理方法。
背景技术
沼液废水的产生主要是在沼气工程中投加的畜禽粪便经厌氧发酵后产生的废弃物,废水中含有一定量的有机物及无机物等有害物质,如直接排放,会对周边水环境造成污染,根据相关的环保原则,建立一种废水处理装置是很有必要的。
发明内容
为解决以上现有难题,本发明公开了一种养猪场废水处理装置及其处理方法。
一种养猪场废水处理装置,所述养猪场废水处理装置包括UASB反应器、初沉池、缓冲池、调节池、水解池、曝气池、二沉池、絮凝池、沉淀池、消毒池、污泥凝缩池和设备房。
进一步的,UASB反应器下端通过管道与养猪场废水集水井连通,且UASB反应器还通过管道分别与初沉池和污泥凝缩池接通,初沉池与缓冲池为一体结构,且相通,初沉池通过管道与污泥凝缩池接通,缓冲池通过管道与调节池接通,调节池通过管道与水解池接通,水解池通过管道分别与曝气池和污泥凝缩池接通,曝气池通过管道与二沉池接通,二沉池通过管道分别与絮凝池和污泥凝缩池接通,絮凝池通过管道与沉淀池接通,沉淀池通过管道分别与消毒池和污泥凝缩池接通。
进一步的,所述消毒池和污泥凝缩池还接有排放管,消毒池接有的排放管的数量为一个,污泥凝缩池接有的排放管的数量为两个。
进一步的,所述设备房内设有罗茨鼓风机,罗茨鼓风机通过管道分别与水解池和曝气池接通。
一种养猪场废水处理方法,所述养猪场废水处理方法包括以下步骤:
a、将集水井内废水抽入UASB反应器中,实用厌氧方式将废水的COD处理在1500mg/L以下,处理后的废水中的污水会流入初沉池中,废水中的污泥流入污泥凝缩池内;
b、往初沉池内加入PAM或PAC,在初沉池内除去废水中的可沉物和漂浮物,废水中的污水流入缓冲池,然后从缓冲池流入调节池,废水中的污泥流入污泥凝缩池内;
c、在调节池内调节水质以及水量,然后废水流入水解池;
d、在水解池中利用厌氧菌对大分子化合物的分解作用,将废水水中较难被兼性微生物和好氧微生物分解的大分子化合物分解为小分子化合物,非溶解态的有机物被截流逐步转化为溶解态的有机物,然后废水中的污水流入曝气池,废水中的污泥流入污泥凝缩池内;
e、在曝气池内降低废水生化需氧量BOD和氨氮,然后废水流入二沉池内;
f、在二沉池内加入PAM或PAC,除去废水中的可沉物和漂浮物,废水中的污水流入絮凝池内,废水中的污泥流入污泥凝缩池内;
g、在絮凝池内加入PAM或PAC,并进行搅拌,然后废水中的上清液流入沉淀池,然后流入消毒池;
h、沉淀池内的废水中的污水流入消毒池,废水中的污泥流入污泥凝缩池内;
i、在消毒池内设有臭氧发生器,利用臭氧发生器进行消毒,然后达标排放;
j、污泥凝缩池内污泥可送到干化床上进行自然渗滤,还可叠螺脱水机进行脱泥。
有益效果:本发明采用预处理、高效接触氧化、化学絮凝和消毒的处理工艺,去除了废水中的COD、BOD及氨氮等有害物质,消毒处理可以将超标大肠杆菌处理到无害化后进行达标出水排放,有利于提高地区地表水环境质量,有利于保障周围居民的身心健康,对改善周围居民的工作、生活环境都会产生明显的效益。







