公布日:2024.06.28
申请日:2023.07.03
分类号:C02F3/30(2023.01)I;C02F101/16(2006.01)N
摘要
本发明具体涉及一种用于锂电行业脱氮营养液自动投加系统,具体涉及一种用于锂电行业脱氮营养液自动投加系统,包括DO监测仪、曝气单元、TN监测仪、营养液自动投加组件及电控单元、A池、O池,所述DO监测仪、曝气单元、TN监测仪、营养液自动投加组件均和电控单元电芯连接,所述的DO监测仪用于监测A池和O池溶解氧,所述的曝气单元用于向O池供氧,所述的TN监测仪用于监测O池末端或排放口TN变化,所述的营养液投加组件用于向A池及O池投加碳源或磷肥,所述的电控单元用于接收DO监测数据及排放口TN监测数据并控制曝气单元及营养液投加组件。本发明通过自动电控单元及时调节阀开度控制曝气量,提高曝气准确性,根据水质实时监测数据及时投加碳源,为微生物生长发育提供营养,同时避免投加过量造成的泥量增加,及出水COD值、亚硝基氮的积累,能够提高脱氮效率。

权利要求书
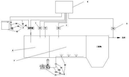
1.一种用于锂电行业脱氮营养液自动投加系统包括DO监测仪、曝气单元、TN监测仪、营养液自动投加组件及电控单元、A池、O池,所述DO监测仪、曝气单元、TN监测仪、营养液自动投加组件均和电控单元电芯连接,所述的DO监测仪用于监测A池和O池溶解氧,所述的曝气单元用于向O池供氧,所述的TN监测仪用于监测O池末端或排放口TN变化,所述的营养液投加组件用于向A池及O池投加碳源或磷肥,所述的电控单元用于接收DO监测数据及排放口TN监测数据并控制曝气单元及营养液投加组件。
2.根据权利要求1所述的一种用于锂电行业脱氮营养液自动投加系统,其特征在于:所述DO监测仪包括溶解氧传感器及流通装置,所述传感器安装在流通装置的上方,通过水样持续流过装置时获得水体中的溶解氧浓度。
3.根据权利要求1所述的一种用于锂电行业脱氮营养液自动投加系统,其特征在于:所述曝气单元包括鼓风机、曝气器及曝气管道,所述曝气器设置于O池的底部,所述的曝气管道包括曝气总管和曝气支管,所述的曝气总管进气端与鼓风机连通,所述曝气支管与设置于O池的底部的曝气器连通,所述的曝气支管上设置有控制气量的进气阀,所述进气阀与电控单元电性连接。
4.根据权利要求1所述的一种用于锂电行业脱氮营养液自动投加系统,其特征在于:所述的A池DO为0-0.5ppm。
5.根据权利要求1所述的一种用于锂电行业脱氮营养液自动投加系统,其特征在于:所述的O池DO为2.0-4.5ppm。
6.根据权利要求1所述的一种用于锂电行业脱氮营养液自动投加系统,其特征在于:所述的DO溶度大于最大限值,减小阀开度或曝气风机频率,相反则反之。
7.根据权利要求3所述的一种用于锂电行业脱氮营养液自动投加系统,其特征在于:所述的进气阀设置于A池及O池的外侧。
8.根据权利要求1所述的一种用于锂电行业脱氮营养液自动投加系统,其特征在于:所述的TN监测仪包括预警系统,所述TN监测仪的测量范围为0-100mg/l。所述的预警系统设定值为0.6-0.9倍TN排放标准。
9.根据权利要求8所述的一种用于锂电行业脱氮营养液自动投加系统,其特征在于:所述的O池或A池溶解氧大于最大限值时,且预警系统设定值接近0.6-0.9倍TN排放标时,投加营养阀打开。
10.根据权利要求8所述的一种用于锂电行业脱氮营养液自动投加系统,其特征在于:所述的O池或A池溶解氧小于最大限值时,且预警系统设定值小于0.6-0.9倍TN排放标时,投加营养阀关闭。
11.根据权利要求1所述的一种用于锂电行业脱氮营养液自动投加系统,其特征在于:所述的营养液投加组件包括溶药箱及加药管,所述加药管的进料端与溶药箱连通,所述加药管的出料端与A池连通,所述加药管设有用于控制加药量的计量泵及营养阀,所述的计量泵和营养阀可以自动调节营养液的加药量,所述的计量泵与营养阀与电控单元电性连接。
12.根据权利要求8所述的一种用于锂电行业脱氮营养液自动投加系统,其特征在于:所述的营养液为C源或磷肥。所述的C源为葡萄糖或甲醇,所述的磷肥为磷酸二氢钾。
13.根据权利要求1所述的一种用于锂电行业脱氮营养液自动投加系统,其特征在于:所述电控系统的控制器采用PLC控制程序,所述PLC控制程序根据设定的DO监测仪及TN监测仪预警系统的实时信号反馈,通过电控控制模块控制阀开度来实现自动调节控制曝气单元风量及营养液自动投加组件的投加量,保证系统控制的高效、稳定性。
发明内容
本发明的目的是为了解决上述现有技术的不足而提供一种用于锂电行业脱氮营养液自动投加系统。该投加系统,脱氮效率高、出水水质好、运行稳定且运行费用较低。
本发明的目的通过下述技术方案予以实现:一种用于锂电行业脱氮营养液自动投加系统包括DO监测仪、曝气单元、TN监测仪、营养液自动投加组件及电控单元、A池、O池,所述DO监测仪、曝气单元、TN监测仪、营养液自动投加组件均和电控单元电芯连接,所述的DO监测仪用于监测A池和O池溶解氧,所述的曝气单元用于向O池供氧,所述的TN监测仪用于监测O池末端或排放口TN变化,所述的营养液投加组件用于向A池及O池投加碳源或磷肥,所述的电控单元用于接收DO监测数据及排放口TN监测数据并控制曝气单元及营养液投加组件。
进一步的,所述DO监测仪包括溶解氧传感器及流通装置,所述传感器安装在流通装置的上方,通过水样持续流过装置时获得水体中的溶解氧浓度。在脱氮过程中生物反硝化需要保持严格的缺氧条件,溶解氧对反硝化过程有抑制作用,而在硝化过程中溶解氧增高能够促进NO3-N的形成,通过对水体DO进行实时监测,利于硝化反硝化细菌的生长,提高脱氮效率。
进一步的,所述曝气单元包括鼓风机、曝气器及曝气管道,所述曝气器设置于O池的底部,所述的曝气管道包括曝气总管和曝气支管,所述的曝气总管进气端与鼓风机连通,所述曝气支管与设置于O池的底部的曝气器连通,所述的曝气支管上设置有控制气量的进气阀,所述进气阀与电控单元电性连接。
进一步的,所述的A池DO为0.0-0.5ppm。
进一步的,所述的O池DO为2.0-4.5ppm。
进一步的,所述的DO溶度大于最大限值,减小阀开度或曝气风机频率,相反则反之。
进一步的,所述的进气阀设置于A池及O池的外侧。在本发明中,所述进气阀用于调节供气量,为微生物提供所需DO。
进一步的,所述的TN监测仪包括预警系统,所述TN监测仪的测量范围为0-100mg/l。所述的预警系统设定值为0.6-0.9倍TN排放标准。通过对水体TN进行实时监测,及时增加或减少营养剂的投加量,为硝化反硝化细菌提供适宜的环境条件,保证出水稳定达标排放。
进一步的,所述的O池或A池溶解氧大于最大限值时,且预警系统设定值接近0.6-0.9倍TN排放标时,投加营养阀打开。
进一步的,所述的O池或A池溶解氧小于最大限值时,且预警系统设定值小于0.6-0.9倍TN排放标时,投加营养阀关闭。
进一步的,所述的营养液投加组件包括溶药箱及加药管,所述加药管的进料端与溶药箱连通,所述加药管的出料端与A池连通,所述加药管设有用于控制加药量的计量泵及营养阀,所述的计量泵和营养阀可以自动调节加药量,所述的计量泵与营养阀与电控系统电性连接。
进一步的,所述的营养液为C源或磷肥。所述的C源为葡萄糖或甲醇,所述的磷肥为磷酸二氢钾。在本发明中,以葡萄糖作为外加碳源,利于微生物的利用,脱氮效果好,或者选用甲醇作为外加碳源,为最具性价比的碳源,污泥产量小,价格便宜。
进一步的,所述电控单元的控制器采用PLC控制程序,所述PLC控制程序根据设定的DO监测仪及TN监测仪预警系统的实时信号反馈,通过电控控制模块控制阀开度来实现自动调节控制曝气单元风量及营养液自动投加组件的投加量,保证系统控制的高效、稳定性。本发明中选用葡萄糖或者甲醇作为外加碳源,若投加过量势必会增加污泥产量,而污泥处理成本很高,另外投加过量,容易引起细菌大量增值,导致污泥膨胀,也易产生亚硝态氮积累,影响出水水质;若投加不足,反硝化过程受阻,影响污水处理效果,通过实时废水监测,根据水质浓度合理调控投加量,提高脱氮处理效率。
本发明的有益效果在于:本发明能够提高系统自动化程度,及时通过阀开度调节气量,提高曝气的准确性,控制营养阀的启闭调节营养剂加药种类及数量,同时提高投加营养液的准确性,减少人为误判及投加不及时问题,提高污水脱氮效率。
(发明人:戴双建;秦晶;李传家;张玉岩)






