公布日:2024.12.20
申请日:2024.11.05
分类号:C02F9/00(2023.01)I;C02F1/00(2023.01)I;C02F1/461(2023.01)I;C02F1/52(2023.01)I;C02F3/30(2023.01)I;C02F1/04(2023.01)I;C02F1/469(2023.01)I;C02F3/12
(2023.01)I;C02F1/44(2023.01)I;C02F101/30(2006.01)N;C02F101/10(2006.01)N
摘要
本发明属于废水处理技术领域,公开了一种生物质废水处理系统及生物质废水处理方法,一种生物质废水处理系统包括第一过滤单元、微电解池、混凝沉淀池、水解酸化池、厌氧反应器、厌氧好氧池、第二过滤单元、电渗析器和蒸发器,微电解池与第一过滤单元连接;混凝沉淀池与微电解池连接;水解酸化池与混凝沉淀池连接;厌氧反应器与水解酸化池、厌氧好氧池均连接;第二过滤单元与厌氧好氧池连接;电渗析器设置于第二过滤单元下游,蒸发器与电渗析器连接;第一过滤单元、微电解池、混凝沉淀池、水解酸化池、厌氧反应器、厌氧好氧池、第二过滤单元、电渗析器和蒸发器沿废水排放方向依次设置。如此,能够降低生物质废水处理难度,提高生物质废水利用率。

权利要求书
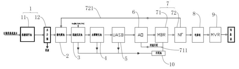
1.一种生物质废水处理系统,其特征在于,包括:第一过滤单元(1),用于过滤废水中的固体杂质;微电解池(2),所述微电解池(2)与所述第一过滤单元(1)连接,用于微电解废水;混凝沉淀池(3),所述混凝沉淀池(3)与所述微电解池(2)连接,用于沉淀废水;水解酸化池(4),所述水解酸化池(4)与所述混凝沉淀池(3)连接;厌氧反应器(5)和厌氧好氧池(6),所述厌氧反应器(5)与所述水解酸化池(4)、所述厌氧好氧池(6)均连接,用于分解废水中的有机物;第二过滤单元(7),所述第二过滤单元(7)与所述厌氧好氧池(6)连接,用于对所述厌氧好氧池(6)输出的废水进行过滤;电渗析器(8)和蒸发器(9),所述电渗析器(8)设置于所述第二过滤单元(7)下游,所述蒸发器(9)与所述电渗析器(8)连接,用于提取废水中的盐分;所述第一过滤单元(1)、所述微电解池(2)、所述混凝沉淀池(3)、所述水解酸化池(4)、所述厌氧反应器(5)、所述厌氧好氧池(6)、所述第二过滤单元(7)、所述电渗析器(8)和所述蒸发器(9)沿废水排放方向依次设置。
2.根据权利要求1所述的生物质废水处理系统,其特征在于,所述第一过滤单元(1)包括格栅调节池(11)和水力筛(12),所述水力筛(12)设置于所述格栅调节池(11)的下游并与所述微电解池(2)的输入端连接。
3.根据权利要求1所述的生物质废水处理系统,其特征在于,所述第二过滤单元(7)包括膜生物反应器(71),所述膜生物反应器(71)与所述厌氧好氧池(6)的输出端连接,用于对所述厌氧好氧池(6)输出的废水进行过滤。
4.根据权利要求3所述的生物质废水处理系统,其特征在于,所述第二过滤单元(7)还包括纳滤(72),所述纳滤(72)设置于所述膜生物反应器(71)的下游并与所述电渗析器(8)的输入端连接。
5.根据权利要求4所述的生物质废水处理系统,其特征在于,所述纳滤(72)连接有废水回路(721),所述废水回路(721)背离所述纳滤(72)的一端与所述微电解池(2)连接,用于向所述微电解池(2)输送分离后的废水。
6.根据权利要求3所述的生物质废水处理系统,其特征在于,所述生物质废水处理系统还包括污泥池(10),所述污泥池(10)与所述膜生物反应器(71)连接。
7.根据权利要求3所述的生物质废水处理系统,其特征在于,所述膜生物反应器(71)连接有污泥回路(711),所述污泥回路(711)与所述厌氧好氧池(6)连接,用于将所述膜生物反应器(71)中的至少部分污泥输送至所述厌氧好氧池(6)内。
8.根据权利要求7所述的生物质废水处理系统,其特征在于,所述厌氧好氧池(6)包括缺氧池和好氧池,所述污泥回路(711)与所述缺氧池连接。
9.根据权利要求1所述的生物质废水处理系统,其特征在于,所述生物质废水处理系统还包括污泥池(10),所述混凝沉淀池(3)、所述水解酸化池(4)、所述厌氧反应器(5)均与所述污泥池(10)连接。
10.一种生物质废水处理方法,其特征在于,应用于如权利要求1-9任一项所述的生物质废水处理系统,所述生物质废水处理方法包括以下步骤:将废水排放至所述第一过滤单元(1)进行过滤,得到污水和固体杂质;将污水排放至所述微电解池(2),并对污水进行微电解,得到微电解出水;将微电解出水排放至所述混凝沉淀池(3),加入氢氧化钠、絮凝剂进行反应,降低微电解出水的硬度和浊度,得到混凝沉淀出水和污泥;将混凝沉淀出水排放至所述水解酸化池(4)进行水解酸化,去除部分悬浮物,得到水解酸化出水和污泥;将水解酸化出水依次排放至所述厌氧反应器(5)和所述厌氧好氧池(6),使微生物对水解酸化出水进行净化,得到净化出水;将净化出水排放至所述第二过滤单元(7)进行过滤,得到过滤出水和污泥;将过滤出水依次排放至所述电渗析器(8)和所述蒸发器(9)进行电渗析浓缩,得到结晶盐。
发明内容
本发明的目的在于提供一种生物质废水处理系统及生物质废水处理方法,以解决生物质废水处理难度大、利用率低的问题。
为达此目的,本发明采用以下技术方案:
第一方面,一种生物质废水处理系统,包括:第一过滤单元,用于过滤废水中的固体杂质;微电解池,所述微电解池与所述第一过滤单元连接,用于微电解废水;混凝沉淀池,所述混凝沉淀池与所述微电解池连接,用于沉淀废水;水解酸化池,所述水解酸化池与所述混凝沉淀池连接;厌氧反应器和厌氧好氧池,所述厌氧反应器与所述水解酸化池、所述厌氧好氧池均连接,用于分解废水中的有机物;第二过滤单元,所述第二过滤单元与所述厌氧好氧池连接,用于对所述厌氧好氧池输出的废水进行过滤;电渗析器和蒸发器,所述电渗析器设置于所述第二过滤单元下游,所述蒸发器与所述电渗析器连接,用于提取废水中的盐分;所述第一过滤单元、所述微电解池、所述混凝沉淀池、所述水解酸化池、所述厌氧反应器、所述厌氧好氧池、所述第二过滤单元、所述电渗析器和所述蒸发器沿废水排放方向依次设置。
作为优选,所述第一过滤单元包括格栅调节池和水力筛,所述水力筛设置于所述格栅调节池的下游并与所述微电解池的输入端连接。
作为优选,所述第二过滤单元包括膜生物反应器,所述膜生物反应器与所述厌氧好氧池的输出端连接,用于对所述厌氧好氧池输出的废水进行过滤。
作为优选,所述第二过滤单元还包括纳滤,所述纳滤设置于所述膜生物反应器的下游并与所述电渗析器的输入端连接。
作为优选,所述纳滤连接有废水回路,所述废水回路背离所述纳滤的一端与所述微电解池连接,用于向所述微电解池输送分离后的废水。
作为优选,所述生物质废水处理系统还包括污泥池,所述污泥池与所述膜生物反应器连接。
作为优选,所述膜生物反应器连接有污泥回路,所述污泥回路与所述厌氧好氧池连接,用于将所述膜生物反应器中的至少部分污泥输送至所述厌氧好氧池内。
作为优选,所述厌氧好氧池包括缺氧池和好氧池,所述污泥回路与所述缺氧池连接。
作为优选,所述生物质废水处理系统还包括污泥池,所述混凝沉淀池、所述水解酸化池、所述厌氧反应器均与所述污泥池连接。
第二方面,一种生物质废水处理方法,应用于如上所述的生物质废水处理系统,所述生物质废水处理方法包括以下步骤:
将废水排放至所述第一过滤单元进行过滤,得到污水和固体杂质;
将污水排放至所述微电解池,并对污水进行微电解,得到微电解出水;
将微电解出水排放至所述混凝沉淀池,加入氢氧化钠、絮凝剂进行反应,降低微电解出水的硬度和浊度,得到混凝沉淀出水和污泥;
将混凝沉淀出水排放至所述水解酸化池进行水解酸化,去除部分悬浮物,得到水解酸化出水和污泥;
将水解酸化出水依次排放至所述厌氧反应器和所述厌氧好氧池,使微生物对水解酸化出水进行净化,得到净化出水;
将净化出水排放至所述第二过滤单元进行过滤,得到过滤出水和污泥;
将过滤出水依次排放至所述电渗析器和所述蒸发器进行电渗析浓缩,得到结晶盐。
本发明的有益效果:
一种生物质废水处理系统,包括第一过滤单元、微电解池、混凝沉淀池、水解酸化池、厌氧反应器、厌氧好氧池、第二过滤单元、电渗析器和蒸发器,第一过滤单元用于过滤废水中的固体杂质;微电解池与第一过滤单元连接,用于微电解废水;混凝沉淀池与微电解池连接,用于沉淀废水;水解酸化池与混凝沉淀池连接;厌氧反应器与水解酸化池、厌氧好氧池均连接,用于分解废水中的有机物;第二过滤单元与厌氧好氧池连接,用于对厌氧好氧池输出的废水进行过滤;电渗析器设置于第二过滤单元下游,蒸发器与电渗析器连接,用于提取废水中的盐分;第一过滤单元、微电解池、混凝沉淀池、水解酸化池、厌氧反应器、厌氧好氧池、第二过滤单元、电渗析器和蒸发器沿废水排放方向依次设置。
如此,生物质废水依次经过物理过滤、内电解反应、水解酸化、生物降解、过滤分离、浓缩洁净等多个工序处理,降低了生物质废水的处理难度,不仅能减少废水中的有机物含量,使废水达到排放标准,降低对环境的污染,还能有效利用废水中的盐分制取结晶盐,提高生物质废水的利用率。
(发明人:任显龙;陈伟;孙健;黎福斌;周林;李亚洲)






