申请日2016.05.27
公开(公告)日2016.12.14
IPC分类号C02F9/02
摘要
本实用新型公开了一种针对垃圾焚烧厂冷却水的处理系统,属工业循环冷却水处理工艺范畴。本专用处理系统包含了多介质过滤器、软化装置、净水箱、碟片过滤器、超滤装置、超滤水箱、反渗透装置、反渗透水箱。本实用新型解决了循环水在使用过程中所带来的腐蚀、结垢和粘泥的问题,以及化学加药法、常规膜处理法的弊端,该系统在解决上述弊端的同时,实现了真正意义上的“零排放”,提高了核心设备的使用寿命,响应了国家绿色生产、节能减排的政策。
摘要附图
权利要求书
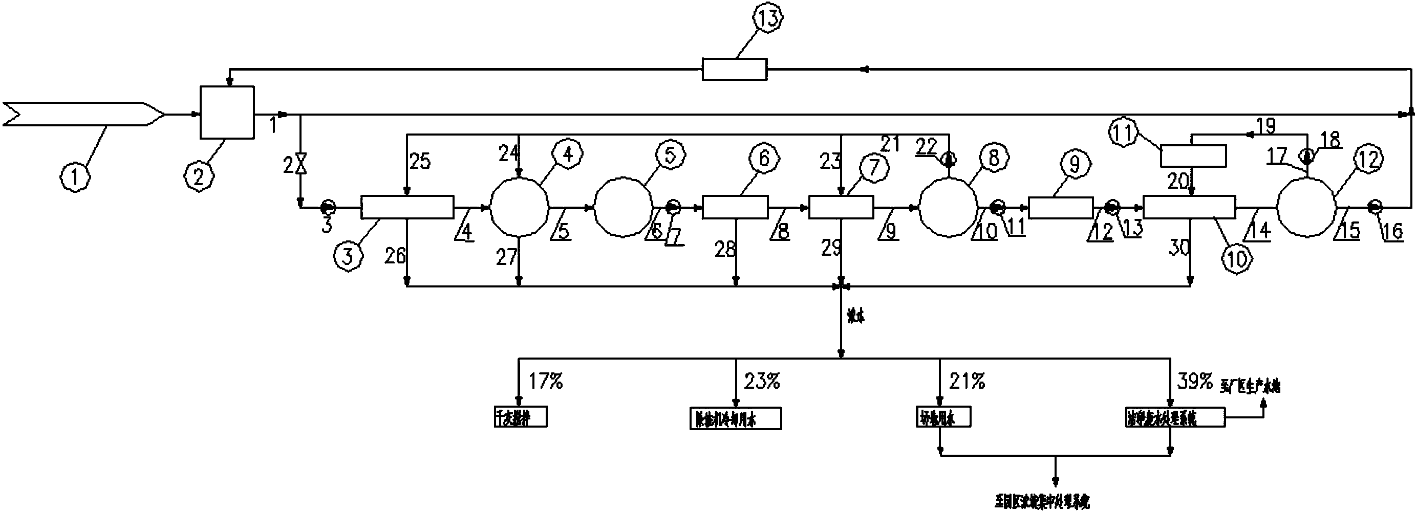
1.一种垃圾焚烧电厂冷却水处理系统,包括多介质过滤器、软化装置、净水箱、碟片过滤器、超滤装置、超滤水箱、保安滤器、反渗透装置、反渗透水箱、清洗滤器,其特征在于:多介质过滤器和冷却塔水箱通过多介质过滤器第一进水管道(1)、进水阀(2)和输送泵(3)相连,软化器和多介质过滤器通过软化器第一进水管道(4)相连,净水箱和软化器通过净水箱第一进水管道(5)相连,碟片过滤器和净水箱通过碟片过滤器第一进水管道(6)和净水泵(7)相连,超滤装置和碟片过滤器通过超滤第一进水管道(8)相连,超滤水箱和超滤装置通过超滤水箱第一进水管道(9)相连,保安滤器与超滤水箱通过保安滤器第一进水管(10)、UF水泵(11)相连,反渗透装置和保安滤器通过反渗透第一进水管道(12)和高压泵(13)相连,RO产水箱与RO装置通过RO水箱第一进水管(14)相连,产水经由循环回水母管(15)以及反渗透产水泵(16)送至换热器进行换热过后,循环至冷却塔水箱;所述系统中RO装置清洗用水由RO水箱通过RO水箱第一出水管(17)、RO清洗水泵(18)、清洗滤器第一进水管(19)送至清洗滤器过滤后,经由RO第二进水管(20)进入RO装置进行清洗;所述系统中超滤装置、软化器、多介质过滤器的清洗用水由超滤水箱通过超滤水箱第一出水管(21)和清洗水输送泵(22),超滤第二进水管(23)、软化器第二进水管(24)、多介质过滤器第二进水管(25)供至超滤装置、软化器和多介质过滤器进行反清洗;所述系统中各装置浓水通过多介质过滤器排水管(26)、软化器排水管(27)、碟片过滤器排水管(28)、超滤排水管(29)、反渗透排水管(30)汇集,其中17%用于干灰搅拌,21%用于场地用水,23%用于除渣机冷却用水,39%进入洁净废水处理系统,场地冲洗后的排水和洁净废水处理系统的浓水汇流至园区浓液集中处理系统。
说明书
一种垃圾焚烧电厂冷却水处理系统
技术领域
本实用新型涉及一种循环冷却水处理工艺,具体涉及一种垃圾焚烧电厂冷却水处理系统。
背景技术
在许多化工企业中,用于冷却系统的这部分水量往往很大,通常能够占到企业用水总量的90%~95%左右。目前,在工业冷却水的处理上,绝大多数企业都是进行回收循环使用,其中冷却水的补充水量约为循环水量的3%-4%,补充水量的30%将用于蒸发降温,剩余部分将被循环使用。
冷却水的补给水通常直接取自江、河、湖水,或进行简单的砂滤后即投入使用,冷却水在循环使用的过程中不断被浓缩导致含盐量增加,电导率上升,也加剧了腐蚀、结垢的倾向。同时,冷却水在使用过程中不断与周围环境相接触,吸收了空气中的灰尘与杂质,同时冷却塔内的光照、适宜的温度都将对细菌和藻类的滋生产生促进作用。腐蚀与结垢将导致换热器很快发生泄漏并报废,细菌和藻类的滋生所形成的黏泥使得水流阻力增大,换热器的传热效率降低,设备能耗增加。
针对腐蚀、结垢和黏泥的问题,常规的处理方法是通过投加化学药品的方式进行预防和延缓,同时以定期排走部分浓水的方式来降低循环水的含盐量,将循环水系统的浓缩倍率维持在适当水平。冷却水的化学处理方法带来的弊端是:未能根本性的将循环水内所含的盐分去除,要想维持合适的浓缩倍率而不致水中盐分过高,只能通过排放浓水的方式,这种方式不仅造成水资源的浪费,同时造成化学药剂的浪费和对环境的污染。
目前,针对腐蚀、结垢和黏泥的问题,还出现了一种更深层次的循环水处理工艺,即通过反渗透工艺去除循环水内的盐分。此法的弊端是水中的结垢离子易导致膜的产水率下降,缩短膜的使用寿命以及水资源的浪费。
实用新型内容
为了解决循环水在使用过程中所带来的腐蚀、结垢和粘泥的问题,以及化学加药法、常规膜处理法的弊端,本实用新型设计了一种针对垃圾焚烧电厂冷却水处理的专用系统,该系统在解决上述弊端的同时,实现了真正意义上的“零排放”,提高了核心设备的使用寿命,响应了国家绿色生产、节能减排的政策。
本实用新型所采用的专用系统包含了以下单元:多介质过滤器、软化装置、净水箱、碟片过滤器、超滤装置、超滤水箱、保安滤器、反渗透装置、反渗透水箱、清洗滤器。本专用系统中多介质过滤器和冷却塔水箱通过多介质过滤器第一进水管道1、进水阀2和输送泵3相连接;本专用系统中软化器和多介质过滤器通过软化器第一进水管道4相连接;本专用系统中净水箱和软化器通过净水箱第一进水管道5相连接;本专用系统中碟片过滤器和净水箱通过碟片过滤器第一进水管道6和净水泵7相连接;本专用系统中超滤装置和碟片过滤器通过超滤第一进水管道8相连接;本专用系统中超滤水箱和超滤装置通过超滤水箱第一进水管道9相连接;本专用系统中保安滤器与超滤水箱通过保安滤器第一进水管10、UF水泵11相连接;本专用系统中反渗透装置和保安滤器通过反渗透第一进水管道12和高压泵13相连接;本专用系统中RO产水箱与RO装置通过RO水箱第一进水管14相连接;本专用系统产水经由循环回水母管15以及反渗透产水泵16送至换热器进行换热过后,循环至冷却塔水箱。
本专用系统中RO装置清洗用水,由RO水箱通过RO水箱第一出水管17、RO清洗水泵18、清洗滤器第一进水管19送至清洗滤器过滤后,经由RO第二进水管20进入RO装置进行清洗;本专用系统中超滤装置、软化器、多介质过滤器的清洗用水由超滤水箱通过超滤水箱第一出水管21和清洗水输送泵22,超滤第二进水管23、软化器第二进水管24、多介质过滤器第二 进水管25供至超滤装置、软化器和多介质过滤器进行反清洗。
本专用系统中各装置浓水通过多介质过滤器排水管26、软化器排水管27、碟片过滤器排水管28、超滤排水管29、反渗透排水管30进行汇集,其中17%用于干灰搅拌,21%用于场地用水,23%用于除渣机冷却用水,39%进入洁净废水处理系统。同时,场地冲洗后的排水和洁净废水处理系统的浓水汇流至园区浓液集中处理系统。
本实用新型的有效益果是:
一、本专用系统解决了循环水容易造成的系统腐蚀、结垢和粘泥问题的同时,在运行过程中无须投加化学药剂,降低了循环水处理的运行成本,亦避免了因药剂而引起的环境污染;
二、本专用系统的补充水量仅由冷却过程中风吹与蒸发带所走的水量,以及系统反洗所需水量组成,补充水量约为循环水总量的1.5-2.0%。因系统无须进行循环浓水外排,同时各装置汇集的浓水将作为干灰搅拌、场地用水、除渣机冷却用水使用,剩余浓水进入厂区洁净废水处理系统。洁净废水处理系统浓水和厂区冲洗排水将进入园区浓液集中处理系统,故本专用系统实现了水量上的“零排放”且减少了市政公用水量的消耗。
三、本专用系统能从根本上去除循环水中的盐分而非通过外排水的方式除盐,在水中Ca2+、Mg2+、Cl-等离子不产生腐蚀、结垢倾向的前提下能使系统的浓缩倍率达到8-12。
四、针对循环水水质特点,本专用系统优于常规膜法处理,表现在其回收率能达到75%,提高了节水效果,系统中反渗透膜的使用寿命能达到3-5年。


