申请日2016.05.27
公开(公告)日2016.12.21
IPC分类号C02F5/00; C02F1/78
摘要
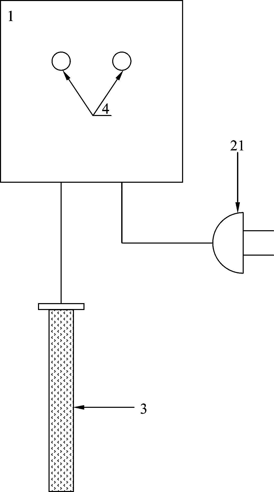
本实用新型涉及水的防垢或除垢领域,具体为一种用于循环水处理的高压静电净化器。一种用于循环水处理的高压静电净化器,包括电控箱(1),其特征是:还包括静电发生器(2)和导电探头(3),静电发生器(2)设于电控箱(1)内,静电发生器(2)包括依次电气连接的电源插头(21)、降压单元(22)、整流滤波单元(23)、稳压单元(24)、自激振荡单元(25)、倍压单元(26)和整流单元(27),整流单元(27)的直流输出端连接导电探头(3)。本实用新型结构简单,使用方便,除垢彻底,安全环保,节水减排。
摘要附图
权利要求书
1. 一种用于循环水处理的高压静电净化器,包括电控箱(1),其特征是:还包括静电发生器(2)和导电探头(3),
静电发生器(2)设于电控箱(1)内,静电发生器(2)包括依次电气连接的电源插头(21)、降压单元(22)、整流滤波单元(23)、稳压单元(24)、自激振荡单元(25)、倍压单元(26)和整流单元(27),降压单元(22)的初级线圈通过电源插头(21)连接交流电源(20),降压单元(22)的次级线圈连接整流滤波单元(23)的交流输入端,整流滤波单元(23)的直流输出端经稳压单元(24)连接自激振荡单元(25)的电源输入端,自激振荡单元(25)的高频交流输出端连接倍压单元(26)的初级线圈,倍压单元(26)的次级线圈连接整流单元(27)的交流输入端,整流单元(27)的直流输出端连接导电探头(3)。
2. 如权利要求1所述的用于循环水处理的高压静电净化器,其特征是:导电探头(3)选用圆柱或圆台;选用圆柱时,所述圆柱的高和底面直径之比为5~10;选用圆台时,所述圆台的大圆底面直径和小圆底面直径之比为1.5~2,所述圆台的高和小圆底面直径之比为5~10。
3. 如权利要求1或2所述的用于循环水处理的高压静电净化器,其特征是:还包括指示灯(4),指示灯(4)串联在静电发生器(2)的电源输入端并嵌在电控箱(1)的箱板上。
4. 如权利要求3所述的用于循环水处理的高压静电净化器,其特征是:整流单元(27)的直流输出端输出的直流电压为15kV~25kV。
说明书
用于循环水处理的高压静电净化器
技术领域
本实用新型涉及水的防垢或除垢领域,具体为一种用于循环水处理的高压静电净化器。
背景技术
1. 工业用水的现状
随着我国工业的发展,淡水消耗量急速增加,在城市用水中,工业用水约占总用水量的60~80%,其中冷却水用量占整个工业用水量的70~80%。据有关资料显示我国的工业用水重复利用率平均为40~50%,我国城市工业万元产值耗水量达340立方米,是发达国家的10~20倍。耗水量高,重复利用率低,是我国工业系统水资源利用的突出问题,因此,节约工业冷却水,使有限的水源得到最大限度的利用,是工业领域节水工作的重中之重,而采用循环冷却水技术是工业领域节水的主要方法。
2. 常规工业循环水处理方法与不足之处如下表所示:
综上所述,传统处置方法普遍存在对金属管道的腐蚀严重、对水体的二次污染、浓缩比低(耗水)、垢片脱落堵塞管道等问题,这些问题不解决,影响生产、影响设备寿命,造成企业运行成本居高不下。
实用新型内容
为了克服现有技术的缺陷,提供一种结构简单、使用方便、除垢彻底、安全环保、节水减排的除垢设备,本实用新型公开了一种用于循环水处理的高压静电净化器。
本实用新型通过如下技术方案达到发明目的:
一种用于循环水处理的高压静电净化器,包括电控箱,其特征是:还包括静电发生器和导电探头,
静电发生器设于电控箱内,静电发生器包括依次电气连接的电源插头、降压单元、整流滤波单元、稳压单元、自激振荡单元、倍压单元和整流单元,降压单元的初级线圈通过电源插头连接交流电源,降压单元的次级线圈连接整流滤波单元的交流输入端,整流滤波单元的直流输出端经稳压单元连接自激振荡单元的电源输入端,自激振荡单元的高频交流输出端连接倍压单元的初级线圈,倍压单元的次级线圈连接整流单元的交流输入端,整流单元的直流输出端连接导电探头。
所述的用于循环水处理的高压静电净化器,其特征是:导电探头选用圆柱或圆台;选用圆柱时,所述圆柱的高和底面直径之比为5~10;选用圆台时,所述圆台的大圆底面直径和小圆底面直径之比为1.5~2,所述圆台的高和小圆底面直径之比为5~10。
所述的用于循环水处理的高压静电净化器,其特征是:还包括指示灯,指示灯串联在静电发生器的电源输入端并嵌在电控箱的箱板上。
所述的用于循环水处理的高压静电净化器,其特征是:整流单元的直流输出端输出的直流电压为15kV~25kV。
本实用新型使用时,降压单元、整流滤波单元和稳压单元构成向自激振荡单元提供能量的直流电源,外接交流电源经降压、整流、滤波和稳压后转换成直流电源输入自激振荡单元,自激振荡单元由振荡线圈或集成电路构成,自激振荡单元经自激振荡产生频率在5kHz~20kHz的高频交变电,高频交流电经倍压单元升压再经整流单元整流成15kV~25kV的直流电输入导电探头。将导电探头插入水中,导电探头在水中产生以自身为中心的以同心圆形式向外逐渐衰减的静电场,辅之以在水中加入适量的表面活性剂和环保增效剂,通过静电场可以达到如下效果:
1. 能有效阻止硬垢生成:水分子具有较强的极性,在自然状态下水分子由于热运动而呈无序排列,在高压静电场中,水分子因电荷的吸引和排斥会发生有规则的排列,从而将水体中的阳离子(如Ca2+、Mg2+等)、阴离子(如Cl-和SO42-等)包围起来,阻止其化学反应的发生,并且在水分子和设备间形成电位差,束缚离子向设备聚集的能力,起到阻止结垢的作用。
2. 能有效去除系统中的硬垢:在高压静电场中水垢分子间的电子结合力能得到破坏,改变了其晶体结构,促使其疏松,并加大水分子的偶极距,增强与盐类分子的水合能力,使水垢逐渐剥蚀、脱落。
3. 能在管壁上形成一层致密的氧化膜,同时提高整个水体的电位,使整个水体和整个系统产生电位差,应用阳极保护法的原理降低循环水对系统的腐蚀。
4. 能在循环水中产生臭氧,臭氧的杀菌速度比氯快600~3000倍,能够有效杀灭水体中的细菌和藻类,并且阻止软垢的生成。
本实用新型具有如下有益效果:
1. 易除垢:水体中的阳离子被形成偶极子的水分子包围起来,阻止其化学反应的发生,水分子和设备间形成电位差,束缚离子向设备聚集的能力,起到阻止结垢的作用;
2. 杀菌灭藻:高压静电水处理器在循环水中产生的臭氧的杀菌速度比氯快得多,能够有效杀灭水体中的细菌和藻类;
3. 清洗净化同步完成:在工业冷却循环水处理系统中,利用水电解原理,能使清洗和净化过程同步完成,即环保、高效低成本,又可完全免除化学物品的使用,清除污垢,净化水质;
4. 环保:纯物理处理,水在循环水中不添加任何化学药剂,不腐蚀管道,不造成二次水污染;
5. 节能:阻止结垢,除垢脱落处理,大幅度提高热交换器效率;
6. 节水减排:无需排放换水,节约水资源,提高浓缩倍率;
7. 防腐及延长设备寿命:形成防腐氧化膜,有效预防腐蚀,延长设备使用寿命。


